0
MAX8632
  • MAX8632

MAX8632

PRODUCTION

Integrated DDR Power-Supply Solution for Desktops, Notebooks, and Graphic Cards

Analog Devices MAX8632 Product Info

10 February 2026 7

Features

Buck Controller

  • Quick-PWM with 100ns Load-Step Response
  • Up to 95% Efficiency
  • 2V to 28V Input Voltage Range
  • 1.8V/2.5V Fixed or 0.7V to 5.5V Adjustable Output
  • Up to 600kHz Selectable Switching Frequency
  • Programmable Current Limit with Foldback Capability
  • 1.7ms Digital Soft-Start
  • Independent Shutdown and Standby Controls
  • Overvoltage-/Undervoltage-Protection Option
  • Power-Good Window Comparator LDO Section
  • Fully Integrated VTT and VTTR Capability
  • VTT Has ±3A Sourcing/Sinking Capability
  • Only 20µF Ceramic Capacitance Required for VTT
  • VTT and VTTR Outputs Track VREFIN/2
  • All-Ceramic Output-Capacitor Designs
  • 1.0V to 2.8V Input Voltage Range
  • Power-Good Window Comparator

Part details & applications

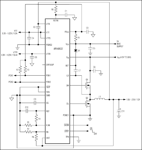
The MAX8632 integrates a synchronous-buck PWM controller to generate VDDQ, a sourcing and sinking LDO linear regulator to generate VTT, and a 10mA reference output buffer to generate VTTR. The buck controller drives two external n-channel MOSFETs to generate output voltages down to 0.7V from a 2V to 28V input with output currents up to 15A. The LDO can sink or source up to 1.5A continuous and 3A peak current. Both the LDO output and the 10mA reference buffer output can be made to track the REFIN voltage. These features make the MAX8632 ideally suited for DDR memory applications in desktops, notebooks, and graphic cards.

The PWM controller in the MAX8632 utilizes Maxim's proprietary Quick-PWM™ architecture with programmable switching frequencies of up to 600kHz. This control scheme handles wide input/output voltage ratios with ease and provides 100ns response to load transients while maintaining high efficiency and a relatively constant switching frequency. The MAX8632 offers fully programmable UVP/OVP and skip-mode options ideal in portable applications. Skip mode allows for improved efficiency at lighter loads.

The VTT and VTTR outputs track to within 1% of VREFIN/2. The high bandwidth of this LDO regulator allows excellent transient response without the need for bulk capacitors, thus reducing cost and size.

The buck controller and LDO regulators are provided with independent current limits. Adjustable lossless foldback current limit for the buck regulator is achieved by monitoring the drain-to-source voltage drop of the low-side MOSFET. Additionally, overvoltage and undervoltage protection mechanisms are built in. Once the overcurrent condition is removed, the regulator is allowed to enter soft-start again. This helps minimize power dissipation during a short-circuit condition. The MAX8632 allows flexible sequencing and standby power managem

Subscribe to Welllinkchips !
Your Name
* Email
Submit a request