0
MAX77785
  • MAX77785

MAX77785

RECOMMENDED FOR NEW DESIGNS

18.2VIN, 3.5A 1-Cell Li+ Battery Charger for USB Type-C Power Delivery

Analog Devices MAX77785 Product Info

10 February 2026 9

Features

  • High-Efficiency Single-Cell Switching Charger
    • Up to 5.5A Charging with MAX77786
    • Up to 3.5A Charging with MAX77785
    • 90% Buck Efficiency at 4A, 15V Input
    • Up to 5.5A Input Current Limit with AICL (MAX77786)
    • Up to 3.5A Input Current Limit with AICL (MAX77785)
  • +26V Absolute Maximum Input Voltage Rating
  • 4.7V to 18.2V Input Operating Voltage Range
  • Reverse Boost with Programmable Output Voltage Options up to 10.805V
    • Up to 16.2W for MAX77786
    • Up to 10.8W for MAX77785
    • Dedicated Boost enable input
  • Integrated Battery True-Disconnect FET
    • RDSON = 7.7mΩ
    • Programmable Discharge Current Limit up to 10A
    • Shipping Mode and Low Battery Leakage Current
    • 1.3MHz Switching Frequency with 1μH Inductor
    • Disconnect Input (DISQBAT)
  • Safety
    • Battery Temperature Sensing and Charge Safety Timer
    • JEITA Guideline Compliant
    • Thermal Regulation and Thermal Shutdown
    • System Voltage OVLO/UVLO
  • USB Switch with BC1.2 Detection
  • Spread Spectrum for Noise-Sensitive Applications
  • Charge Status Output for LED
  • Push-Button Input for Exiting from Ship Mode
  • Programmable Unplug Detection Output
  • Dedicated Input for Suspend Mode (SUSPND)
  • I2C Interface
  • 2.96 mm x 2.96 mm WLP

Part details & applications

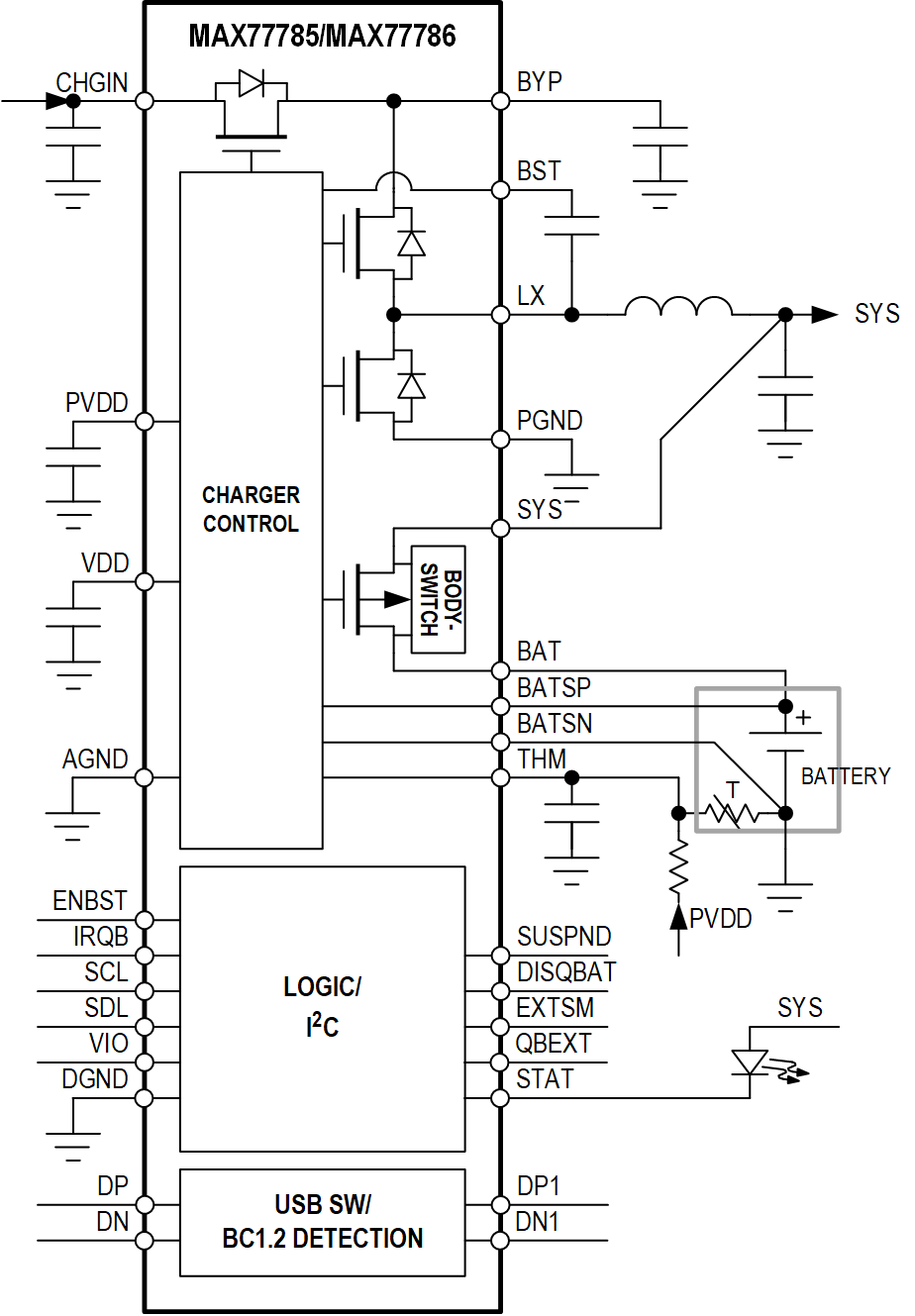
The MAX77785/MAX77786 is a high-performance high-input 3.5/5.5A fast charger with Smart Power Selector™. The ICs can operate as a reverse boost converter without an additional inductor, allowing the battery to share its power through the charging port, and offer programmable output voltage from 4.505V to 10.805V. The devices feature fully integrated low-loss power switches to provide a small solution size and high efficiency, even at high input voltage and high charging current. Its high switching frequency allows the use of a smaller-sized inductor. The ICs feature true load disconnection in reverse boost mode and have an adjustable output current protection limit. The device is highly flexible and programmable through I2C configuration. Li-ion, Li-polymer, and LiFePO4 battery chemistries are supported. It can also provide fast programmable unplug detection of sources for dynamic system load management. To support a variety of legacy USBs as well as proprietary adapters, the device also integrates BC1.2 detection using the D+ and D- pins.

The battery charger includes a Smart Power Selector to accommodate a wide range of battery sizes and system loads. The Smart Power Selector allows the system to start up gracefully when an input source is available, even when the battery is deeply discharged (dead battery) or missing. It can be configured so that when power is applied to the charger input, the battery charging can automatically start.

Applications

  • Gaming Devices
  • VR Applications
  • mPOS
  • Tablet PCs

Smart Power Selector is a trademark of Maxim Integrated Products, Inc.

USB Type-C is a registered trademark of USB Implementers Forum, Inc.

Power Path is a trademark of Linear Technology Corporation.

Subscribe to Welllinkchips !
Your Name
* Email
Submit a request