0
MAX7042
  • MAX7042

MAX7042

PRODUCTION

308MHz/315MHz/418MHz/433.92MHz Low-Power, FSK Superheterodyne Receiver

Analog Devices MAX7042 Product Info

10 February 2026 10

Features

  • +2.4V to +3.6V or +4.5V to +5.5V Single-Supply Operation
  • Four User-Selectable Carrier Frequencies 308, 315, 418, and 433.92MHz
  • -110dBm RF Input Sensitivity at 315MHz
  • -109dBm RF Input Sensitivity at 433.92MHz
  • Fast Startup (< 250µs)
  • Small 32-Pin TQFN Package
  • Low Operating Supply Current
    • 6.2mA Continuous
    • 20nA Power-Down
  • Integrated PLL, VCO, and Loop Filter
  • 45dB Integrated Image Rejection
  • Selectable IF BW with External Filter
  • Positive and Negative Peak Detectors
  • RSSI Output

Part details & applications

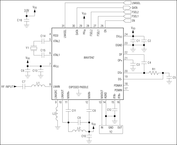
The MAX7042 fully integrated, low-power, CMOS superheterodyne RF receiver is designed to receive frequency-shift-keyed (FSK) data at rates up to 66kbps nonreturn-to-zero (NRZ) (33kbps Manchester). The MAX7042 requires only a few external components to realize a complete wireless RF receiver at 308, 315, 418, and 433.92MHz.

The MAX7042 includes all the active components required in a superheterodyne receiver including a low-noise amplifier (LNA), an image-rejection (IR) mixer, a fully integrated phase-locked loop (PLL), local oscillator (LO), 10.7MHz IF limiting amplifier with received-signal-strength indicator (RSSI), low-noise FM demodulator, and a 3V regulator. Differential peak-detecting data demodulators are included for baseband data recovery.

The MAX7042 is available in a 32-pin TQFN and is specified over the automotive -40°C to +125°C temperature range.

Applications

  • Home and Office Lighting Control
  • Home Automation
  • Local Telemetry Systems
  • Remote Keyless Entry (RKE)
  • Remote Sensing
  • Security Systems
  • Smoke Alarms
  • Tire-Pressure Monitoring (TPM)

Subscribe to Welllinkchips !
Your Name
* Email
Submit a request