0
AD8319
  • AD8319
  • AD8319

AD8319

RECOMMENDED FOR NEW DESIGNS

1 MH z TO 10 GH z , 40 d B Log Detector / Controller

Analog Devices AD8319 Product Info

10 February 2026 8

Features

  • Wide bandwidth: 1 MHz to 10 GHz
  • High accuracy: ±1.0 dB over temperature
  • >40 dB dynamic range up to 8 GHz
  • Stability over temperature ±0.5 dB
  • Low noise measurement/controller output VOUT
  • Pulse response time: 8 ns/10 ns (fall/rise)
  • Small footprint 2 mm × 3 mm LFCSP_VD
  • Supply operation: 3.0 V to 5.5 V @ 22 mA
  • Fabricated using high speed SiGe process

Part details & applications

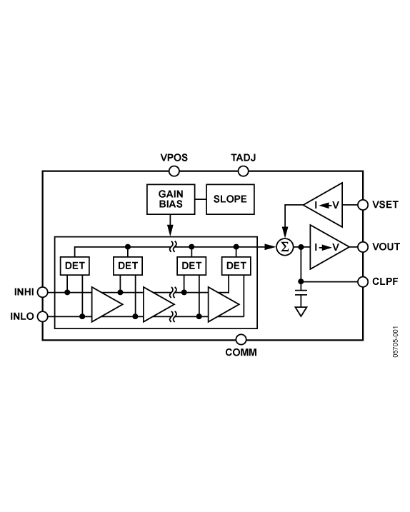
The AD8319 is a demodulating logarithmic amplifier, capable of accurately converting an RF input signal to a corresponding decibel-scaled output. It employs the progressive compression technique over a cascaded amplifier chain, each stage of which is equipped with a detector cell. The device can be used in either measurement or controller modes. The AD8319 maintains accurate log conformance for signals of 1 MHz to 8 GHz and provides useful operation to 10 GHz. The input dynamic range is typically 40 dB (re: 50 Ω) with error less than ±1 dB. The AD8319 has 8 ns/10 ns response time (fall time/rise time) that enables RF burst detection to a pulse rate of beyond 50 MHz. The device provides unprecedented logarithmic intercept stability vs. ambient temperature conditions. A supply of 3.0 V to 5.5 V is required to power the device. Current consumption is typically 22 mA, and it decreases to 200 μA when the device is disabled. 

The AD8319 can be configured to provide a control voltage to a power amplifier or a measurement output from the VOUT pin. Because the output can be used for controller applications, special attention was paid to minimize wideband noise. In this mode, the setpoint control voltage is applied to the VSET pin.

The feedback loop through an RF amplifier is closed via VOUT, the output of which regulates the amplifier’s output to a magnitude corresponding to VSET. The AD8319 provides 0 V to (VPOS − 0.1 V) output capability at the VOUT pin, suitable for controller applications. As a measurement device, VOUT is externally connected to VSET to produce an output voltage, VOUT, that is a decreasing linear-in-dB function of the RF input signal amplitude.

The logarithmic slope is −22 mV/dB, determined by the VSET interface. The intercept is 15 dBm (re: 50 Ω, CW input) using the INHI input. These parameters are very stable against supply and temperature va