0
MAX6964
  • MAX6964

MAX6964

PRODUCTION

17-Output LED Driver/GPO with Intensity Control and Hot-Insertion Protection Space-Saving, 17-Output LED Driver with Active-Low RST, 240-Step PWM Brightness Control, and 2-Phase Blink

Analog Devices MAX6964 Product Info

10 February 2026 7

Features

  • 400kbps, 2-Wire Serial Interface, 5.5V Tolerant
  • 2V to 3.6V Operation
  • Overall 8-Bit PWM LED Intensity Control
    • Global 16-Step Intensity Control
    • Plus Individual 16-Step Intensity Controls
  • Two-Phase LED Blinking
  • High Port Output Current—Each Port 50mA (max)
  • Active-Low RST Input Clears the Serial Interface and Restores Power-Up Default State
  • Supports Hot Insertion
  • Outputs are 7V-Rated Open Drain
  • Low Standby Current (1.2µA (typ), 3.3µA (max))
  • Small 4mm x 4mm, 0.8mm High Thin QFN Package
  • -40°C to +125°C Temperature Range

Part details & applications

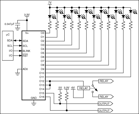
The MAX6964 I²C-compatible serial interfaced peripheral provides microprocessors with 17 output ports. Each output is an open-drain current-sinking output rated at 50mA and 7V. The outputs are capable of driving LEDs, or providing logic outputs with external resistive pullup up to 7V.

Eight-bit PWM current control is also integrated. Four of the bits are global control and apply to all LED outputs to provide coarse adjustment of current from fully off to fully on with 14 intensity steps. Additionally, each output has an individual 4-bit control, which further divides the globally set current into 16 more steps. Alternatively, the current control can be configured as a single 8-bit control that sets all outputs at once.

Each output has independent blink timing with two blink phases. LEDs can be individually set to be either on or off during either blink phase, or to ignore the blink control. The blink period is controlled by an external clock (up to 1kHz) on BLINK or by a register. The BLINK input can also be used as a logic control to turn the LEDs on and off, or as a general-purpose input (GPI). The MAX6964 supports hot insertion. The SDA, SCL, active-low RST, BLINK, and the slave address input ADO remain high impedance in power-down (V+ = 0V) with up to 6V asserted upon them. The output ports remain high impedance with up to 8V asserted upon them.

The MAX6964 is controlled through a 2-wire I²C serial interface, and can be configured to one of four I²C addresses.

Applications

  • Keypad Backlights
  • LCD Backlights
  • LED Status Indication
  • RGB LED Drivers

Subscribe to Welllinkchips !
Your Name
* Email
Submit a request