0
DS1391
  • DS1391

DS1391

PRODUCTION

Low-Voltage SPI/3-Wire RTCs with Trickle Charger Low-Voltage SPI/3-Wire RTCs with Trickle Charger have the Broadest Feature Set and the Smallest Footprint in Their Class

Analog Devices DS1391 Product Info

10 February 2026 6

Features

  • Real-Time Clock Counts Hundredths of Seconds, Seconds, Minutes, Hours, Day, Date, Month, and Year with Leap-Year Compensation Valid Up to 2100
  • Output Pin Configurable as Interrupt or Square Wave with Programmable Frequency of 32.768kHz, 8.192kHz, 4.096kHz, or 1Hz (DS1390/DS1393/DS1394 Only)
  • One Time-of-Day Alarm
  • Power-Fail Detect and Switch Circuitry
  • Reset Output/Debounced Input (DS1391/DS1393)
  • Separate SQW and INT Output (DS1392)
  • Trickle-Charge Capability
  • SPI Supports Modes 0 and 2 (DS1394)
  • SPI Supports Modes 1 and 3 (DS1390/DS1391)
  • 3-Wire Interface (DS1392/DS1393)
  • 4MHz at 3.0V and 3.3V
  • 1MHz at 1.8V
  • Three Operating Voltages: 1.8V ±5%, 3.0V ±10%, and 2.97 to 5.5V (DS1394: 3.3V ±10%)
  • Industrial Temperature Range: -40°C to +85°C

Part details & applications

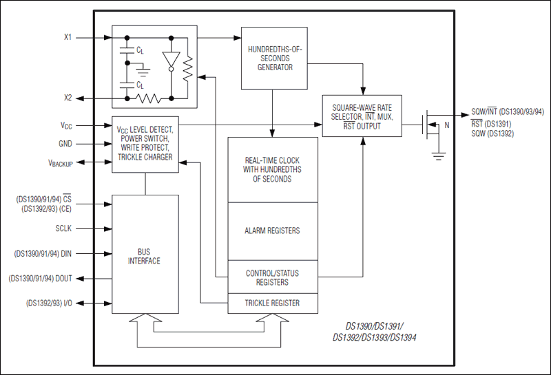
The low-voltage serial-peripheral interface (SPI™) DS1390/DS1391/DS1394 and the low-voltage 3-wire DS1392/DS1393 real-time clocks (RTCs) are clocks/calendars that provide hundredths of a second, seconds, minutes, hours, day, date, month, and year information. The date at the end of the month is automatically adjusted for months with fewer than 31 days, including corrections for leap year. The clock operates in either the 24-hour or 12-hour format with an AM/PM indicator. One programmable time-of-day alarm is provided. A temperature-compensated voltage reference monitors the status of VCC and automatically disables the bus interface and switches to the backup supply if a power failure is detected. On the DS1390, a single open drain output provides a CPU interrupt or a square wave at one of four selectable frequencies. The DS1391 replaces the SQW/active-low INT pin with an active-low RST output/debounced input.

The DS1390, DS1391, and DS1394 are programmed serially through an SPI-compatible, bidirectional bus. The DS1392 and DS1393 communicate over a 3-wire serial bus, and the extra pin is used for either a separate interrupt pin or an active-low RST output/debounced input.

All five devices are available in a 10-pin µSOP package, and are rated over the industrial temperature range.

Applications

  • Embedded Time Stamping
  • GPS/Telematics Devices
  • Handheld Devices
  • Medical Devices

Subscribe to Welllinkchips !
Your Name
* Email
Submit a request