0
MAX5988B
  • MAX5988B

MAX5988B

PRODUCTION

IEEE 802.3af-Compliant, High-Efficiency, Class 1/Class 2 Powered Devices with Integrated DC-DC Converters Reduce BOM Costs with Highly Integrated Powered Devices for PoE Applications

Analog Devices MAX5988B Product Info

10 February 2026 11

Features

  • High Integration Saves Space and BOM Cost
    • Efficient, Integrated DC-DC Converter (with Integrated Switches)
    • Built-In Output-Voltage Monitoring
    • Protects Against Overload, Output Short Circuit, Output Overvoltage, and Overtemperature
    • Integrated TVS Diode Withstands Cable Discharge Event (CDE)
    • Internal LDO Regulator with Up to 100mA Load
  • Application-Specific Features Speed Design
    • IEEE 802.3af Compliant
    • PoE Class 1/Class 2 Classification Set with Single Resistor
    • Intelligent Maintain Power Signature (MPS)
    • Simplified Wall Adapter Interface
    • Pass 2kV, 200m CAT-6 Cable Discharge Event
  • High Efficiency During Light Loads Reduces Power Consumption
    • Sleep and Ultra-Low-Power Mode
    • Frequency Foldback for High-Efficiency Light-Load Operation
    • Back-Bias Capability to Optimize the Efficiency
  • Robust Performance
    • 8.8V to 60V Wide Input Voltage Range
    • Hiccup-Mode Runaway Current Limit
    • 49mA (typ) Inrush Current Limit
    • Open-Drain (Active-Low RESET) Output
  • Easy to Design With
    • 3.0V to 14V Programmable Output Voltage Range
    • Internal Compensation
    • Fixed 215kHz Switching Frequency
    • Fixed 3.3V or Adjustable Output Voltage through an External Resistive Divider (LDO)

Part details & applications

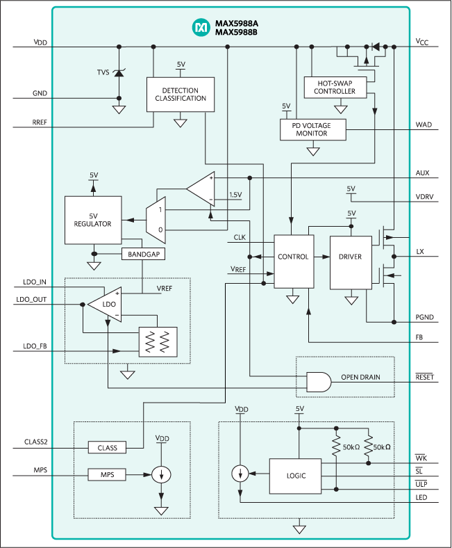
The MAX5988A/MAX5988B provide a complete power-supply solution as IEEE® 802.3af-compliant Class 1/Class 2 Powered Devices (PDs) in a Power-over-Ethernet (PoE) system. The devices integrate the PD interface with an efficient DC-DC converter, offering a low external part count PD solution. The devices also include a low-dropout regulator, MPS, sleep, and ultra-low power modes.
The PD interface provides a detection signature and a Class 1/Class 2 classification signature with a single external resistor. The PD interface also provides an isolation power MOSFET, a 60mA (max) inrush current limit, and a 321mA (typ) operating current limit.

The integrated step-down DC-DC converter uses a peak current-mode control scheme and provides an easy-to-implement architecture with a fast transient response. The step-down converter operates in a wide input voltage range from 8.8V to 60V and supports up to 6.49W of input power at 1.3A load. The DC-DC converter operates at a fixed 215kHz switching frequency, with an efficiency-boosting frequency foldback that reduces the switching frequency by half at light loads.

The devices feature an input undervoltage-lockout (UVLO) with wide hysteresis and long deglitch time to compensate for twisted-pair cable resistive drop and to assure glitch-free transition during power-on/-off conditions. The devices also feature overtemperature shutdown, short-circuit protection, output overvoltage protection, and hiccup current limit for enhanced performance and reliability.

All devices are available in a 20-pin, 4mm × 4mm, TQFN power package and operate over the -40°C to +85°C temperature range.

Applications

  • IEEE® 802.3af-Powered Devices
  • IP Phones
  • IP Security Cameras
  • WiMAX® Base Stations
  • Wireless Access Nodes<