0
ADG783
  • ADG783

ADG783

PRODUCTION

CMOS, Low Voltage 2.5 Ω Quad SPST Switches in Chip Scale Package

Analog Devices ADG783 Product Info

10 February 2026 4

Features

  • 1.8 V to 5.5 V Single Supply
  • 2.5 O (Typ) On Resistance
  • Low On-Resistance Flatness (0.5 O)
  • −3 dB Bandwidth >200 MHz
  • Rail-to-Rail Operation
  • 20 lead LFCSP package
  • Fast Switching Times 
    tON 16 ns
    tOFF 10 ns
  • Typical Power Consumption
    (<0.01 µW )
  • TTL/CMOS Compatible

Part details & applications

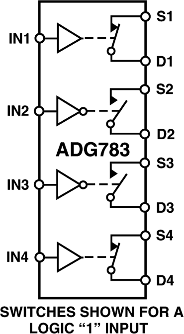
The ADG781, ADG782, and ADG783 are monolithic CMOS devices containing four independently selectable switches. These switches are designed on an advanced submicron process that provides low power dissipation and high switching speed, low on resistance, low leakage currents and high bandwidth.

They are designed to operate from a single 1.8 V to 5.5 V supply, making them ideal for use in battery powered instruments and with the new generation of DACs and ADCs from Analog Devices. Fast switching times and high bandwidth make the part suitable for video signal switching.

The ADG781, ADG782, and ADG783 contain four independent single-pole/single throw (SPST) switches. The ADG781 and ADG782 differ only in that the digital control logic is inverted. The ADG781 switches are turned on with a logic low on the appropriate control input, while a logic high is required to turn on the switches of the ADG782. The ADG783 contains two switches whose digital control logic is similar to the ADG781, while the logic is inverted on the other two switches.

Each switch conducts equally well in both directions when ON. The ADG783 exhibits break-before-make switching action. The ADG781 / ADG782 / ADG783 are available in 20-lead chip scale packages.

PRODUCT HIGHLIGHTS

  1. 20-Lead 4 mm × 4 mm Chip Scale Package (CSP).
  2. 1.8 V to 5.5 V Single Supply Operation. The ADG781, ADG782, and ADG783 offer high performance and are fully specified and guaranteed with 3 V and 5 V supply rails.
  3. Very Low RON (4.5 Ω max at 5 V, 8 Ω max at 3 V). At supply voltage of 1.8 V, RON is typically 35 Ω over the temperature range.
  4. Low On-Resistance Flatness.
  5. –3 dB Bandwidth >200 MHz.
  6. Low Power Dissipation. CMOS construction ensu

Subscribe to Welllinkchips !
Your Name
* Email
Submit a request