0
MAX5981B
  • MAX5981B
  • MAX5981B
  • MAX5981B

MAX5981B

PRODUCTION

IEEE 802.3af/at-Compliant, Powered Device Interface Controllers with Integrated Power MOSFET Ultra-Low Power Sleep Mode Meets European Commission's Code of Conduct on Energy Consumption of Broadband Equipment Requirement

Analog Devices MAX5981B Product Info

10 February 2026 7

Features

  • Sleep Mode and Ultra-Low Power
  • IEEE 802.3af/at Compliant
  • 2-Event Classification or an External Wall Adapter Indicator Output
  • Simplified Wall Adapter Interface
  • PoE Classification 0–5
  • 100V Input Absolute Maximum Rating
  • Inrush Current Limit of 180mA Maximum
  • Current Limit During Normal Operation Between 720mA and 880mA
  • Current Limit and Foldback
  • Legacy UVLO at 36V
  • LED Driver with Programmable LED Current
  • Overtemperature Protection
  • Thermally Enhanced, 5mm x 5mm, 16-Pin TQFN

Part details & applications

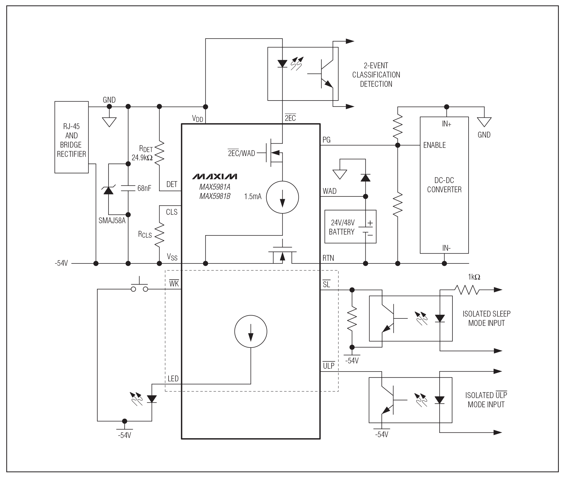
The MAX5981 provides a complete interface for a powered device (PD) to comply with the IEEE® 802.3af/at standard in a power-over-ethernet (PoE) system. The MAX5981 provides the PD with a detection signature, classification signature, and an integrated isolation power switch with inrush current control. During the inrush period, the MAX5981 limits the current to less than 180mA before switching to the higher current limit (720mA to 880mA) when the isolation power MOSFET is fully enhanced. The device features an input UVLO with wide hysteresis and long deglitch time to compensate for twisted-pair cable resistive drop and to assure glitch-free transition during power-on/-off conditions. The MAX5981 can withstand up to 100V at the input.

The MAX5981 supports a 2-Event classification method as specified in the IEEE 802.3at standard and provides a signal to indicate when probed by a Type 2 power sourcing equipment (PSE). The device detects the presence of a wall adapter power source connection and allows a smooth switch over from the PoE power source to the wall power adapter.

The MAX5981 also provides a power-good (PG) signal, two-step current limit and foldback, overtemperature protection, and di/dt limit. A sleep mode feature in the MAX5981 provides low power consumption while supporting Maintain Power Signature (MPS). An ultra-low-power sleep mode feature in the MAX5981 further reduces power consumption while still supporting MPS. The MAX5981 also features an LED driver that is automatically activated during sleep mode. During sleep mode, the LED driver sources a periodic current (ILED) at 250Hz (MAX5981A) or 15.625kHz (MAX5981B).

The MAX5981 is available in a 16-pin, 5mm x 5mm TQFN power package. The device is rated over the -40°C to +85°C extended temperature range.

Applications

  • IEEE 802.3af/at Powered Devices
Subscribe to Welllinkchips !
Your Name
* Email
Submit a request