0
MAX5774
  • MAX5774

MAX5774

PRODUCTION

32-Channel, 14-Bit, Voltage-Output DACs with Serial Interface

Analog Devices MAX5774 Product Info

10 February 2026 8

Features

  • Offset and Gain Correction for Each DAC Channel
  • Guaranteed Monotonic to 14 Bits
  • 32 Individual DACs in a 10mm x 10mm, 68-Pin TQFN Package or 12mm x 12mm, 64-Pin TQFP Package
  • Output Voltage Ranges
    • 0 to +10V (MAX5773)
    • -2.5V to +7.5V (MAX5774)
    • -5V to +5V (MAX5775)
  • Buffered Voltage Outputs Drive 10kΩ || 100pF
  • Glitch-Free Power-Up
  • SPI/QSPI/MICROWIRE- and DSP-Compatible 33MHz Serial Interface

Part details & applications

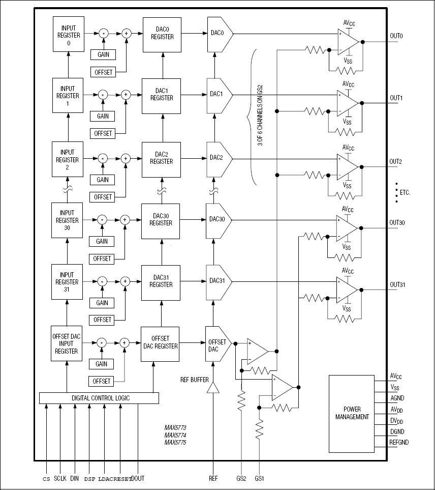
The MAX5773/MAX5774/MAX5775 32-channel, 14-bit, voltage-output, digital-to-analog converters (DACs) are ideal for applications requiring a high number of programmable voltages. The MAX5773/MAX5774/MAX5775 can be programmed to calibrate the 14-bit input data word for gain and offset errors before updating the DAC output.

An SPI™-/QSPI™-/MICROWIRE™- or DSP-compatible serial interface controls the MAX5773/MAX5774/MAX5775. Each DAC channel has its own input, gain, and offset register. These three registers pass data through one of the two multiplier accumulator units (MACs), resulting in a voltage output corrected for gain and offset error. Each DAC channel has a double-buffered input structure to minimize the digital-noise feedthrough from the digital inputs to the outputs, and allows for synchronous or asynchronous updating of the outputs. The DAC outputs update independently or simultaneously with a single software or hardware command. The MAX5773/MAX5774/MAX5775 also provide a digital output (DOUT) that allows for readback or daisy chaining of multiple devices.

All DAC outputs are buffered and drive 10kΩ in parallel with 100pF. The MAX5773 has a 0 to +10V output range; the MAX5774 has a -2.5V to +7.5V output range; and the MAX5775 has a -5V to +5V output range. The MAX5773/MAX5774/MAX5775 are available in a 68-pin, 10mm x 10mm, TQFN package and a 64-pin, 12mm x 12mm, TQFP package. The MAX5773/MAX5774/MAX5775 are specified over the 0°C to +85°C temperature range. Refer to the MAX5753/MAX5754/MAX5755 data sheet for similar 14-bit, 32-channel DACs without offset and gain calibration.

Applications

  • Arbitrary Function Generators
  • Automatic Test Systems
  • Avionics Equipment
  • Digital Offset/Gain Adjustment
  • Industrial Process Controls
  • Minimum Component Count Analog Systems
  • Optical Router Controls
Subscribe to Welllinkchips !
Your Name
* Email
Submit a request