0
MAX562
  • MAX562

MAX562

PRODUCTION

Complete 230kbps, 2.7V to 5.25V Serial Interface for Notebook Computers

Analog Devices MAX562 Product Info

10 February 2026 6

Features

  • 230kbps Data Rate, LapLink™ Compatible
  • Operates from a 2.7V to 5.25V Supply
  • Designed for EIA/TIA-562 and EIA/TIA-232 Applications
  • Guaranteed 4.0V/µs Slew Rate
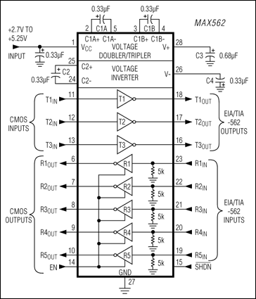
  • 3 Drivers, 5 Receivers
  • Flow Through Pinout
  • Low-Power Shutdown and Keep-Awake Modes
  • Low-Cost, Surface-Mount External Capacitors

Part details & applications

The MAX562 is designed specifically for notebook and palmtop computers that need to transfer data quickly. It runs at data rates up to 230kbps, and has a guaranteed 4V/µs slew rate. This device meets the new EIA/TIA-562 standard that guarantees compatibility with RS-232 interfaces.

The MAX562 has low-power shutdown and keep-awake modes. In keep-awake mode, the transmitters are disabled but all receivers are active, allowing unidirectional communication. In shutdown mode, the entire chip is disabled and all outputs are in a high-impedance state.

The MAX562 is available in a standard 28-pin SO package, and in a smaller footprint shrink small-outline package (SSOP).

Applications

  • Battery-Powered Applications
  • Palmtop, Notebook, and Subnotebook Computers
  • Peripherals

Subscribe to Welllinkchips !
Your Name
* Email
Submit a request