0
MAX549A
  • MAX549A

MAX549A

PRODUCTION

+2.5V to +5.5V, Low-Power, Single/Dual, 8-Bit Voltage-Output DACs in µMAX Package Dual, Serial, Voltage-Output DACs in a µMAX Package

Analog Devices MAX549A Product Info

10 February 2026 8

Features

  • +2.5V to +5.5V Single-Supply Operation
  • ±1LSB (max) TUE
  • Power-On Reset Clears All Registers to Zero
  • Low Operating Current:
    • 150µA (MAX548A/MAX549A, VREF = +2.5V)
    • 75µA (MAX550A, VREF = +2.5V)
  • 1µA Shutdown Mode
  • 10MHz, 3-Wire Serial Interface Compatible with SPI/QSPI and Microwire
  • µMAX Package-50% Smaller than 8-Pin SO
  • Independent Shutdown of DACs (MAX548A/MAX549A)

Part details & applications

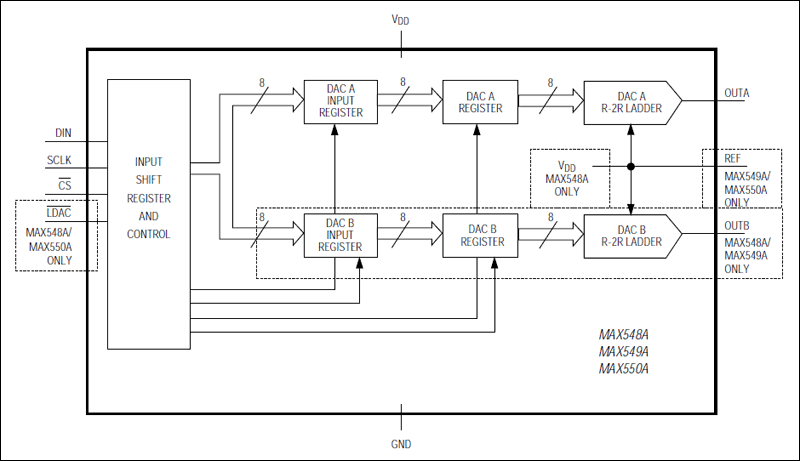
The MAX548A/MAX549A/MAX550A serial, 8-bit voltage-output digital-to-analog converters (DACs) operate from a single +2.5V to +5.5V supply. Their ±1LSB TUE specification is guaranteed over temperature. Operating current (supply current plus reference current) is typically 75µA per DAC with VDD = 2.5V. In shutdown, the DAC is disconnected from the reference, reducing current drain to less than 1µA. The MAX548A/MAX549A allow each DAC to be shut down independently.

The 10MHz, 3-wire serial interface is compatible with SPI™/QSPI™ and Microwire™ interface standards. Double-buffered inputs provide flexibility when updating the DACs; the input and DAC registers can be updated individually or simultaneously.

The MAX548A is a dual DAC with an asynchronous load input; it uses VDD as the reference input. The MAX549A is a dual DAC with an external reference input. The MAX550A is a single DAC with an external reference input and an asynchronous load input.

The MAX548A/MAX549A/MAX550A's low power consumption and small µMAX® and DIP packages make these devices ideal for portable and battery-powered applications.

Applications

  • Battery-Powered Applications
  • Comparator-Level Settings
  • Digital Gain and Offset Control
  • GaAs Amp Bias Control
  • General Purpose
  • VCXO Control

Subscribe to Welllinkchips !
Your Name
* Email
Submit a request