0
ADG794
  • ADG794
  • ADG794

ADG794

PRODUCTION

Low Voltage, 300 MH z Quad 2:1 Mux Analog HDTV Audio/Video Switch

Analog Devices ADG794 Product Info

10 February 2026 7

Features

  • Bandwidth: 300 MHz
  • Low Insertion Loss and on Resistance: 5 Ω typical
  • On Resistance Flatness: 0.68 Ω Typical
  • Single 3 V/5 V Supply Operation
  • Low Quiescent Supply Current: 1 nA Typical
  • TTL/CMOS Compatible
  • Fast switching times: tON, 7 ns; tOFF, 5 ns
  • ESD protection
    2 kV human body model (HBM)
    200 V machine model (MM)
    1 kV field-induced charged device model (FICDM)

Part details & applications

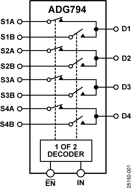
The ADG794 is a monolithic CMOS device comprising four 2:1 multiplexer/demultiplexers with high impedance outputs. The CMOS process provides low power dissipation yet gives high switching speed and low on resistance. The on-resistance variation is typically less than 1.2 Ω over the input signal range.

The bandwidth of the ADG794 is typically 300 MHz and this, coupled with low distortion (typically 0.68%), makes the part suitable for switching analog audio/video signals.

The ADG794 operates from a single 3.3 V/5 V supply and is TTL logic compatible. The switches are controlled by the logic inputs IN and EN as shown in Table 4. The EN pin allows the user to disable all switches.

These switches conduct equally well in both directions when on. In the off condition, signal levels up to the supplies are blocked. The ADG794 switches exhibit break-before-make switching action.

The ADG794 is available in a 16-pin QSOP package.

PRODUCT HIGHLIGHTS

  1. Wide bandwidth: 300 MHz.
  2. Ultralow power dissipation.
  3. Crosstalk: −70 dB (typical) at 10 MHz.
  4. Off isolation: −65 dB (typical) at 10 MHz.
  5. ESD protection tested as per ESD Association Standards:
    2 kV HBM (ANSI/ESD STM5.1-2001)
    200 V MM (ANSI/ESD STM5.2-1999)
    1 kV FICDM (ANSI/ESD STM5.3.1-1999)

APPLICATIONS

  • RGB switches
  • HDTV
  • DVD-R
  • Audio/video switches

Subscribe to Welllinkchips !
Your Name
* Email
Submit a request