0
MAX5312
  • MAX5312

MAX5312

LAST TIME BUY

±10V, 12-Bit, Serial, Voltage-Output DAC

Analog Devices MAX5312 Product Info

10 February 2026 7

Features

  • Unipolar or Bipolar Output-Voltage Ranges
    • Unipolar: 0 to (+2 x VREF) (Single or Dual Supply)
    • Bipolar: (-2 x VREF) to (+2 x VREF) (Dual Supply)
  • Guaranteed INL < ±1 LSB (max)
  • Guaranteed Monotonic: DNL ≤ ±1 LSB (max)
  • 10µs Settling Time to 0.5 LSB
  • Low 3.5µA Shutdown Current
  • 10MHz SPI-/QSPI-/MICROWIRE-Compatible Serial Interface
  • Power-On Reset Sets DAC Output to 0V
  • Schmitt Trigger Inputs for Direct Optocoupler Interface
  • Serial-Data Output Allows Daisy Chaining of Devices
  • Small 16-Pin SSOP

Part details & applications

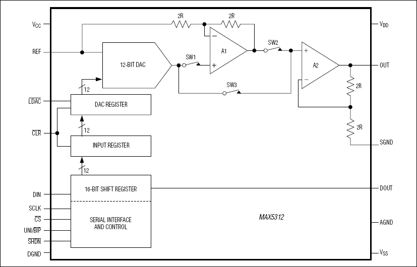
The MAX5312 12-bit, serial-interface, digital-to-analog converter (DAC) provides bipolar ±5V to ±10V outputs from ±12V to ±15V power-supply voltages, or a unipolar 5V to 10V output from a single 12V to 15V power-supply voltage.

The MAX5312 features excellent linearity with both integral nonlinearity (INL) and differential nonlinearity (DNL) guaranteed to ±1 LSB (max). The device also features a fast 10µs to 0.5 LSB settling time, and a hardware-shutdown feature that reduces current consumption to 3.5µA. The output goes to midscale at power-up in bipolar mode (0V), and to zero scale at power-up in unipolar mode (0V). A clear input (active-low CLR) asynchronously clears the DAC register and sets the output to 0V. The output can be asynchronously updated with the load DAC (active-low LDAC) input.

The device features a 10MHz SPI™-/QSPI™-/MICROWIRE™-compatible serial interface that operates with 3V or 5V logic. Additional features include a serial-data output (DOUT) for daisy chaining and read-back functions. The MAX5312 requires a 2V to 5.25V external reference voltage and is available in a 16-pin SSOP package that operates over the extended -40°C to +85°C temperature range.

Applications

  • Analog I/O Boards
  • Automated Test Equipment (ATE)
  • Data Acquisition Systems
  • Industrial Automation
  • Industrial Process Controls
  • Motor Control

Subscribe to Welllinkchips !
Your Name
* Email
Submit a request