0
MAX5128
  • MAX5128

MAX5128

PRODUCTION

128-Tap, Nonvolatile, Linear-Taper Digital Potentiometer in 2mm x 2mm µDFN Package

Analog Devices MAX5128 Product Info

10 February 2026 8

Features

  • Ultra-Small, 2mm x 2mm, 8-Pin µDFN Package
  • Power-On Recall of Wiper Position from Nonvolatile Memory
  • 22kΩ End-to-End Resistance
  • 128 Tap Positions
  • 5ppm/°C Ratiometric Temperature Coefficient
  • 1.5µA (max) Standby Supply Current
  • +2.7V to +5.25V Single Supply Operation
  • 80,000 Wiper Store Cycles
  • 50-Year Wiper Data Retention

Part details & applications

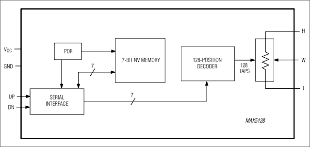
The MAX5128 nonvolatile, single, linear-taper, digital potentiometer performs the function of a mechanical potentiometer, but replaces the mechanics with a simple 2-wire digital interface. The MAX5128 performs the same function as a discrete potentiometer or variable resistor and features 128 taps and 22kΩ end-to-end resistance. The MAX5128 also features an ultra-small, 2mm x 2mm µDFN package and low 0.5µA (typ) standby supply current, making this device ideal for portable applications. The MAX5128 operates from a +2.7V to +5.25V power supply. An integrated nonvolatile memory recalls the programmed wiper position of the digital potentiometer. A simple 2-wire up/down interface programs the wiper position. The digital potentiometer provides a low 5ppm/°C ratiometric temperature coefficient and is specified over the extended -40°C to +85°C temperature range.

Applications

  • Backlight Adjustment
  • Bias Setting for Radios
  • Fiber-Module Bias Setting
  • LED Bias Adjustment
  • Portable Consumer Electronics
  • Power-Supply Modules
  • VCOM Adjustment for LCD Panels

Subscribe to Welllinkchips !
Your Name
* Email
Submit a request