0
ADH-APH634S
  • ADH-APH634S

ADH-APH634S

RECOMMENDED FOR NEW DESIGNS

81 GHz to 86 GHz, Medium Power Amplifier

Analog Devices ADH-APH634S Product Info

10 February 2026 9

Features

  • Gain: 12 dB
  • Output P1dB: +19 dBm
  • Bias Supply: +4V
  • 50 Ohm Matched Input/Output
  • Die Size: 2.57 mm x 1.70 mm x 0.05 mm
  • Screened in accordance with MIL-PRF-38534, Class K

Part details & applications

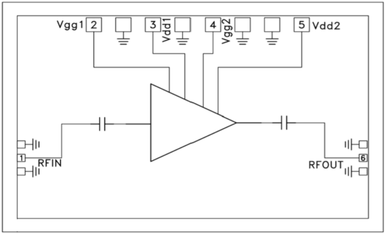
The ADH-APH634S is a two stage GaAs HEMT MMIC Medium Power Amplifier which operates between 81 GHz and 86 GHz. The ADH-APH634S provides 12 dB of gain, and +19 dBm Output P1dB from a +4V supply. All bond pads and the die backside are Ti/Au metallized. The ADH-APH634S GaAs HEMT MMIC Medium Power Amplifier is compatible with conventional die attach methods, as well as thermocompression and thermosonic wire bonding, making it ideal for MCM and hybrid microcircuit applications.

Applications

  • Short Haul / High-Capacity Links
  • Test & Measurement
  • E-Band Communication Systems
  • Military & Space

Subscribe to Welllinkchips !
Your Name
* Email
Submit a request