0
MAX5061
  • MAX5061

MAX5061

PRODUCTION

0.6V to 5.5V Output, Parallelable, Average-Current-Mode DC-DC Controllers

Analog Devices MAX5061 Product Info

10 February 2026 8

Features

  • 4.75V to 5.5V or 7V to 28V Input Voltage Range
  • Adjustable Output Voltage from 0.6V to 5.5V
  • Up to 30A Output Current
  • Can Parallel Outputs For Higher Output Current
  • Programmable Adaptive Output Voltage Positioning
  • True-Differential Remote Output Sensing (MAX5060)
  • Average-Current-Mode Control
    • Superior Current Sharing Between Paralleled Modules
    • Accurate Current Limit Eliminates MOSFET and Inductor Derating
  • Limits Reverse Current Sinking in Paralleled Modules (MAX5060)
  • Programmable Switching Frequency from 125kHz to 1.5MHz
  • Integrated 4A Gate Drivers
  • Clock Output for 180° Out-of-Phase Operation (MAX5060)
  • Voltage Signal Proportional to Output Current for Load Monitoring (MAX5060)
  • Output Overvoltage Crowbar Protection (MAX5060)
  • Programmable Hiccup Current-Limit Threshold and Response Time
  • Overtemperature Thermal Shutdown

Part details & applications

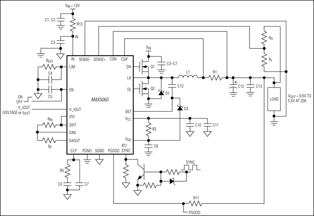
The MAX5060/MAX5061 pulse-width modulation (PWM) DC-DC controllers provide high-output-current capability in a compact package with a minimum number of external components. These devices utilize an average-current-mode control that enables optimal use of low RDS(ON) MOSFETs, eliminating the need for external heatsinks even when delivering high output currents.

Differential sensing (MAX5060) enables accurate control of the output voltage, while adaptive voltage positioning provides optimum transient response. An internal regulator enables operation with 4.75V to 5.5V or 7V to 28V input voltage ranges. The high switching frequency, up to 1.5MHz, allows the use of low-output inductor values and input capacitor values. This accommodates the use of PC-board-embedded planar magnetics.

The MAX5060 features a clock output with 180° phase delay to control a second out-of-phase converter for lower capacitor ripple currents. The MAX5060 also limits the reverse current if the bus voltage becomes higher than the regulated output voltage. The MAX5060 is specifically designed to limit current sinking when multiple power-supply modules are paralleled. The MAX5060/MAX5061 offer an adjustable 0.6V to 5.5V output voltage. The MAX5060 offers an overvoltage protection, power-good signal, and an output enable function.

The MAX5060/MAX5061 operate over the automotive temperature range (-40°C to +125°C). The MAX5060 is available in a 28-pin thin QFN package while the MAX5061 is available in a 16-pin TSSOP package.

Applications

  • High-End Desktop Computers
  • Networking Systems
  • Point-of-Load Telecom DC-DC Regulators
  • RAID Systems
  • Servers and Workstations

Subscribe to Welllinkchips !
Your Name
* Email
Submit a request