0
MAX4968
  • MAX4968

MAX4968

PRODUCTION

16-Channel, Linear, High-Voltage Analog Switches Industry's First High-Voltage, Latchup-Free Switches Keep RON Flat Over Entire Supply Range

Analog Devices MAX4968 Product Info

10 February 2026 7

Features

  • Latch Free
    • SOI HVCMOS Process Technology for High Performance and Robustness
  • No Dedicated High-Voltage Supplies Required
  • RON Flatness Guaranteed in Entire Input Range
  • Low-Power Dissipation
  • Low-Charge Injection and Voltage Spike
  • 25MHz Serial Interface (+2.5V to +5V)
  • 2nd Harmonic Distortion < -45dB at 2MHz ± 90V Pulse
  • Low Parasitic Capacitance Guarantees High Bandwidth
  • DC to 30MHz Small-Signal Analog Bandwidth (CLOAD = 200pF)
  • 500kHz to 20MHz High-Signal Analog Bandwidth (CLOAD = 200pF)
  • Extended Input Range Up to 210VP-P
  • -80dB (typ) Off-Isolation at 5MHz (50Ω)
  • Shunt (Bleed) Resistors on Outputs (MAX4968A Only)
  • Daisy-Chainable Serial Interface

Part details & applications

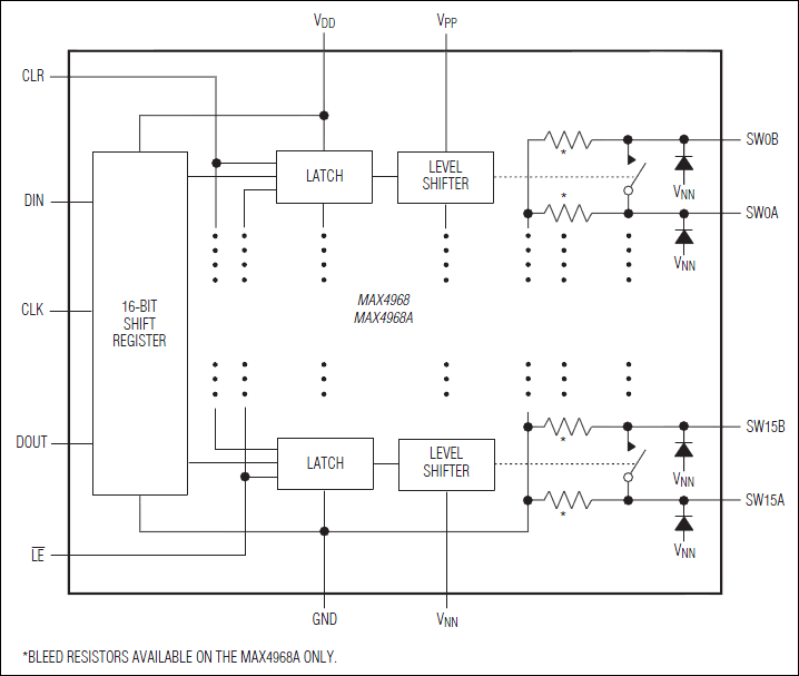
The MAX4968/MAX4968A are 16-channel, high-linearity, high-voltage, bidirectional SPST analog switches with 18Ω (typ) on-resistance. The devices are ideal for use in applications requiring high-voltage switching controlled by a low-voltage control signal, such as ultrasound imaging and printers. The MAX4968A provides integrated 40kΩ (typ) bleed resistors on each switch terminal to discharge capacitive loads. Using HVCMOS technology, these switches combine high-voltage bilateral MOS switches and low-power CMOS logic to provide efficient control of high-voltage analog signals.

The MAX4968 is pin-to-pin compatible with the MAX14802 and Supertex HV2601. The MAX4968A is pin-to-pin compatible with the MAX14803 and Supertex HV2701. The only difference is the VPP positive supply voltage level. The MAX4968/MAX4968A require a low +10V (typ) voltage (VPP), whereas the MAX14802/MAX14803 and HV2601/HV2701 require a high +100V supply voltage.

In a typical ultrasound application, these devices do not require a dedicated high-voltage supply that implies a significant simplification of system requirement. The negative voltage supply can be shared with the transmitter, and the positive voltage supply is typically +10V.

The devices are available in the 48-pin LQFP package and are specified over the -40°C to +85°C extended temperature range.

Applications

  • Medical Ultrasound Imaging
  • Nondestructive Testing (NDT)/Industrial Ultrasound Imaging
  • Printers

Subscribe to Welllinkchips !
Your Name
* Email
Submit a request