0
MAX3984
  • MAX3984

MAX3984

NOT RECOMMENDED FOR NEW DESIGNS

1Gbps to 10Gbps Preemphasis Driver with Receive Equalizer Cable Driver Reduces Jitter in 8.5Gbps, 10Gbps Copper Interconnects

Analog Devices MAX3984 Product Info

10 February 2026 5

Features

  • Drives Up to 10m of 24 AWG Cable
  • Drives Up to 30in of FR-4
  • Selectable 1000mVP-P or 1200mVP-P Differential Output Swing
  • Selectable Output Preemphasis
  • Selectable Input Equalization
  • LOS Detection with Built-In Squelch
  • Transmit Disable
  • Hot Pluggable

Part details & applications

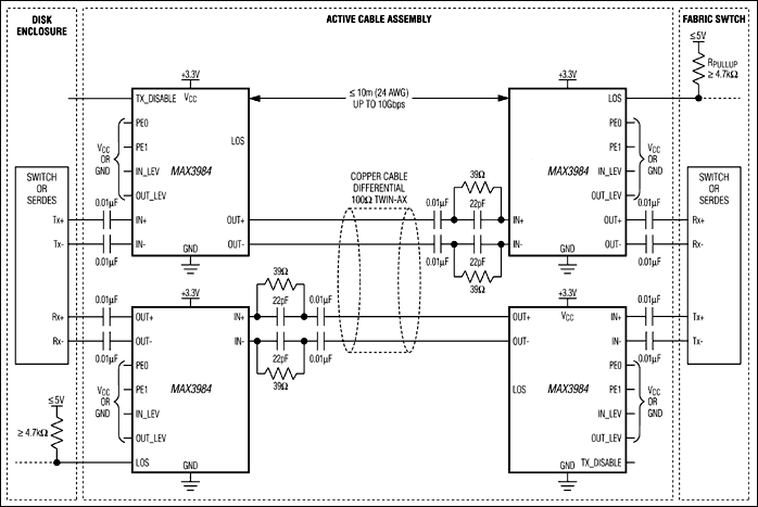
The MAX3984 is a single-channel, preemphasis driver with input equalization that operates from 1Gbps to 10.3Gbps. It provides compensation for copper links, such as 8.5Gbps Fibre Channel and 10.3Gbps Ethernet, allowing spans of up to 10m with 24 AWG cable. The driver provides four selectable preemphasis levels, and the selectable input equalizer compensates for up to 10in of FR-4 circuit board material at 10Gbps.

The MAX3984 also features SFP-compliant loss-of-signal (LOS) detection and TX_DISABLE. Selectable output swing reduces EMI and power consumption. The MAX3984 is packaged in a lead-free, 3mm x 3mm, 16-pin thin QFN and operates from a 0°C to +85°C temperature range.

Applications

  • 10.3Gbps Ethernet
  • 8.5Gbps Fibre Channel
  • Active Cable Assemblies
  • STM-64

Subscribe to Welllinkchips !
Your Name
* Email
Submit a request