0
MAX3783
  • MAX3783

MAX3783

NOT RECOMMENDED FOR NEW DESIGNS

2.7Gbps Dual Mux/Buffer with Loopback

Analog Devices MAX3783 Product Info

10 February 2026 9

Features

  • Provides Redundant Serial I/O
  • 11ps Deterministic Jitter
  • Selectable Loopback
  • On-Chip 50Ω Termination Resistors
  • 3.3V Power Supply
  • Two-Port Integration

Part details & applications

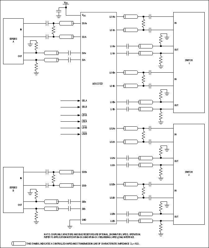
The MAX3783 is a dual serial multiplexer (mux) and buffer with selectable line-side loopback for system interconnect and serial backplane applications up to 2.7Gbps. Each independent channel consists of a transmitter with fanout of two and a receiver with a 2:1 input mux. Selectable loopback paths support system testing.

Operating from a single 3.3V supply, this device has current-mode logic (CML) inputs and outputs, which can be AC-coupled for PECL compatibility, if desired. The IC is packaged in a compact 48-pin TQFP-EP package with exposed pad. Typical power consumption is 1.12W.

Applications

  • 2.7Gbps Serial Communications
  • Fail-Over and Protection Switching
  • Serial Backplane
  • System Interconnects

Subscribe to Welllinkchips !
Your Name
* Email
Submit a request