0
MAX3467
  • MAX3467

MAX3467

PRODUCTION

+5V, Fail-Safe, 40Mbps, PROFIBUS RS-485/RS-422 Transceivers 5V, Fail-Safe, 40Mbps PROFIBUS RS-485/RS-422 Transceivers

Analog Devices MAX3467 Product Info

10 February 2026 15

Features

  • Recommended for PROFIBUS Applications
  • Up to 40Mbps Data Rate
  • 15ns Transmitter Propagation Delay
  • 20ns Receiver Propagation Delay
  • 2ns Transmitter and Receiver Skew
  • High Differential Driver Output Level (2.1V on 54Ω)
  • Hot-Swap Versions
  • 1µA Shutdown Supply Current
  • Low Supply Current Requirements (2.5mA, typ)
  • Allow Up to 128 Transceivers on the Bus
  • True Fail-Safe Receiver while Maintaining EIA/TIA-485 Compatibility
  • Designed for Multipoint Transmissions on Long or Noisy Bus Lines
  • Full-Duplex and Half-Duplex Versions Available
  • Phase Controls to Correct for Twisted-Pair Reversal for 14-Pin Versions
  • Current-Limiting and Thermal Shutdown for Driver Overload Protection

Part details & applications

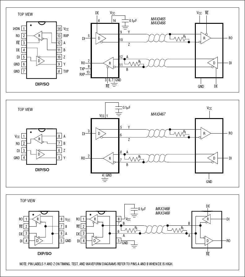
The MAX3465-MAX3469 are high-speed differential bus transceivers for RS-485 and RS-422 communications. They are designed to meet TIA/EIA-422-B, TIA/EIA-485-A, V.11, and X.27 standards. The transceiver complies with the PROFIBUS specification providing +2.1V minimum output level with a 54Ω load, 40Mbps data rate, and output skew less than 2ns. Each part contains one three-state differential line driver and one differential input line receiver. The devices operate from a +5V supply and feature true fail-safe circuitry, which guarantees a logic-high receiver output when the receiver inputs are open or shorted. This enables all receiver outputs on a terminated bus to output logic highs when all transmitters are disabled.

All devices feature a 1/4-standard-unit load receiver input impedance that allows 128 transceivers on the bus. Driver and receiver propagation delays are guaranteed under 20ns for multidrop, clock distribution applications. Drivers are short-circuit current limited and are protected against excessive power dissipation by thermal-shutdown circuitry. The driver and receiver feature active-high and active-low enables, respectively, that can be connected together externally to serve as a direction control.

Applications

  • High-Speed RS-422 Communications
  • High-Speed RS-485 Communications
  • Industrial-Control Local Area Networks
  • Level Translators
  • PROFIBUS Applications

Subscribe to Welllinkchips !
Your Name
* Email
Submit a request