0
MAX3381E
  • MAX3381E

MAX3381E

PRODUCTION

+2.35V to +5.5V, 1µA, 2Tx/2Rx RS-232 Transceivers with ±15kV ESD-Protected I/O and Logic Pins Ideal for Data Cable Applications

Analog Devices MAX3381E Product Info

10 February 2026 7

Features

  • ±15kV ESD Protection on All CMOS and RS-232 Inputs and Outputs (Except active-low INVALID)
    • ±15kV Human Body Model
    • ±15kV IEC 1000-4-2 Air-Gap Discharge
    • ±8kV IEC 1000-4-2 Contact Discharge
  • Operates Over Entire Li+ Battery Range
  • Low Logic Threshold Down to +1.65V for Compatibility with Cell Phone Logic Supply Voltages
  • 1µA Low-Power AutoShutdown Plus Mode
  • Compatible with Next-Generation GSM Data Rates
  • 20-Pin TSSOP Package

Part details & applications

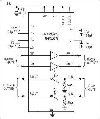
The MAX3380E/MAX3381E are +2.35V to +5.5V-powered EIA/TIA-232 and V.28/V.24 communication interfaces with low power requirements, high data-rate capabilities, and enhanced electrostatic discharge (ESD) protection on both the TTL and RS-232 sides. The MAX3380E/MAX3381E have two receivers and two transmitters. All RS-232 inputs, outputs, and logic input pins are protected to ±15kV using IEC 1000-4-2 Air-Gap Discharge method and the Human Body Model, and ±8kV using IEC 1000-4-2 Contact Discharge method.

The proprietary low-dropout transmitter output stage enables true RS-232 performance from a +3.1V to +5.5V supply with a dual charge pump. The parts reduce the transmitter output levels to RS-232-compatible levels with no increase in supply current for supplies less than +3.1V and greater than +2.35V. The +2.35V to +5.5V operating range is fully compatible with lithium-ion (Li+) batteries. The charge pump requires only four small 0.1µF capacitors for operation.

The MAX3380E/MAX3381E transceivers use Maxim's revolutionary AutoShutdown Plus™ feature to automatically enter a 1µA shutdown mode. These devices shut down the on-board power supply and drivers when they do not sense a valid signal transition for 30 seconds on either the receiver or transmitter inputs.

The MAX3380E is capable of transmitting data at rates of 460kbps while maintaining RS-232 output levels, and the MAX3381E operates at data rates up to 250kbps. The MAX3381E offers a slower slew rate for applications where noise and EMI are issues. The MAX3380E/MAX3381E have a unique VL pin that allows interoperation in mixed-logic voltage systems down to +1.65V. Both input and output logic levels are referenced to the VL pin. The MAX3380E/MAX3381

Subscribe to Welllinkchips !
Your Name
* Email
Submit a request