0
MAX8664
  • MAX8664

MAX8664

PRODUCTION

Low-Cost, Dual-Output, Step-Down Controller with Fast Transient Response Lowest Cost, Dual-Output Regulator for a Wide Range of Applications

Analog Devices MAX8664 Product Info

10 February 2026 7

Features

  • ±0.8% Output Accuracy Over Load and Line
  • Operates from a Single 4.5V to 28V Supply
  • Simple Compensation for Any Type of Output Capacitor
  • Internal 6.5V Regulator for Gate Drive
  • Integrated Boost Diodes
  • Adjustable Output from 0.6V to 0.9 x VIN
  • Digital Soft-Start Reduces Inrush Current
  • 100kHz to 1MHz Adjustable Switching
  • 180° Out-of-Phase Operation Reduces Input Ripple Current
  • Overcurrent and Overvoltage Protection
  • External Reference Input for Second Controller
  • Prebiased Startup Operation

Part details & applications

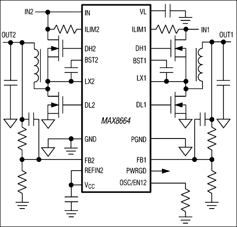
The MAX8664 dual-output PWM controller is a low-cost, high-performance solution for systems requiring dual power supplies. It provides two individual outputs that operate 180° out-of-phase to minimize input current ripple, and therefore, capacitance requirements. Built-in drivers are capable of driving external MOSFETs to deliver up to 25A output current from each channel. The MAX8664 operates from a 4.5V to 28V input voltage source and generates output voltages from 0.6V up to 90% of the input voltage on each channel. Total output regulation error is less than ±0.8% over load, line, and temperature.

The MAX8664 operates with a constant switching frequency adjustable from 100kHz to 1MHz. Built-in boost diodes reduce external component count. Digital soft-start eliminates input inrush current during startup. The second output has an optional external REFIN2, facilitating tracking supply applications. Each output is capable of sourcing and sinking current, making the device a great solution for DDR applications.

The MAX8664 employs Maxim's proprietary peak voltage-mode control architecture that provides superior transient response during either load or line transients. This architecture is easily stabilized using two resistors and one capacitor for any type of output capacitors. Fast transient response requires less output capacitance, consequently reducing total system cost. The MAX8664B latches off both controllers during a fault condition, while the MAX8664A allows one controller to continue to function when there is a fault in the other controller.

Applications

  • ASIC/CPU/DSP Power Supplies
  • Desktop and Notebook PCs
  • Graphic Cards
  • Network-Power Supply
  • POL Power Supply
  • Printer Power Supply
  • Set-Top Box Power Supply

Subscribe to Welllinkchips !
Your Name
* Email
Submit a request