0
MAX3235E
  • MAX3235E

MAX3235E

LAST TIME BUY

±15kV ESD-Protected, 1µA, 250kbps, 3.3V/5V, Dual RS-232 Transceivers with Internal Capacitors

Analog Devices MAX3235E Product Info

10 February 2026 11

Features

  • ESD Protection for RS-232 I/O Pins
    • ±15kV—Human Body Model
    • ±8kV—IEC 1000-4-2, Contact Discharge
    • ±15kV—IEC 1000-4-2, Air-Gap Discharge
  • Latchup Free
  • 1µA Supply Current
  • AutoShutdown Plus-1997 EDN Magazine Innovation of the Year
  • Single-Supply Operation
    • +3.0V to +3.6V (MAX3233E)
    • +4.5V to +5.5V (MAX3235E)
  • 250kbps Guaranteed Data Rate
  • 6V/µs Guaranteed Slew Rate
  • Meets EIA/TIA-232 Specifications Down to 3.0V (MAX3233E)
  • Internal Charge-Pump Capacitors

Part details & applications

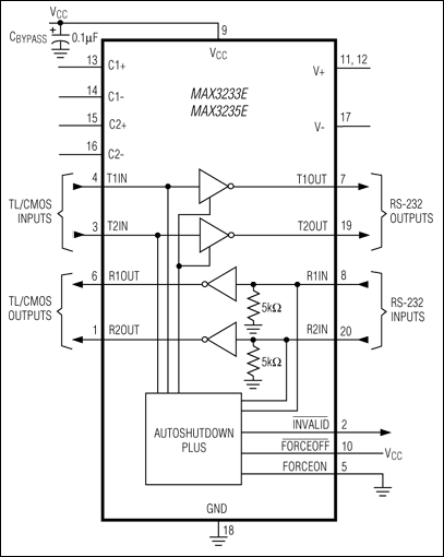
The MAX3233E/MAX3235E are EIA/TIA-232 and V.28/V.24 communications interfaces with automatic shutdown/wake-up features, high data-rate capabilities, and enhanced electrostatic discharge (ESD) protection. All transmitter outputs and receiver inputs are protected to ±15kV using IEC 1000-4-2 Air-Gap Discharge, to ±8kV using IEC 1000-4-2 Contact Discharge, and to ±15kV using the Human Body Model. The MAX3233E operates from a +3.3V supply; the MAX3235E operates from +5.0V.

All devices achieve a 1µA supply current using Maxim's revolutionary AutoShutdown Plus™ feature. These devices automatically enter a low-power shutdown mode when the following two conditions occur: either the RS-232 cable is disconnected or the transmitters of the connected peripherals are inactive, and the UART driving the transmitter inputs is inactive for more than 30 seconds. They turn on again when they sense a valid transition at any transmitter or receiver input. AutoShutdown Plus saves power without changes to the existing BIOS or operating system.

The MAX3233E/MAX3235E have internal dual charge pumps requiring no external capacitors. Both transceivers have a proprietary low-dropout transmitter output stage that enables true RS-232 performance from a +3.0V to +3.6V supply for the MAX3233E or a +4.5V to +5.5V supply for the MAX3235E. These devices are guaranteed to operate up to 250kbps. Both are available in space-saving 20-pin wide SO or plastic DIP packages.

Applications

  • Battery-Powered Applications
  • Cell Phones
  • Embedded Systems
  • Handheld Equipment
  • Peripherals
  • Subnotebook and Palmtop Computers

Subscribe to Welllinkchips !
Your Name
* Email
Submit a request