0
MAX3171
  • MAX3171

MAX3171

PRODUCTION

+3.3V Multiprotocol 3Tx/3Rx Software-Selectable Control Transceivers

Analog Devices MAX3171 Product Info

10 February 2026 11

Features

  • Industry's First +3.3V Multiprotocol Transceiver
  • Certified TBR-1 and TBR-2 Compliant (NET1 and NET2)
  • Supports V.28 (RS-232) and V.10/V.11 (RS-449, V.36, EIA-530, EIA-530-A, X.21, RS-423) Protocols
  • 3V/5V Logic Compatibility
  • Software-Selectable DCE/DTE-bar
  • True Fail-Safe Receiver Operation
  • Available in Small 28-Pin SSOP Package
  • 10µs Receiver Input Deglitching (MAX3171 only)
  • All Transmitter Outputs Fault Protected to ±15V, Tolerate Cable Miswiring
  • Part details & applications

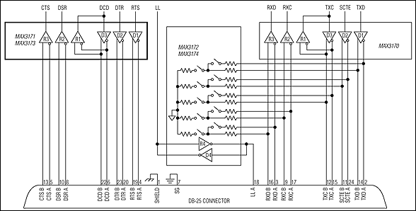
    The MAX3171/MAX3173 are three-driver/three-receiver multiprotocol transceivers that operate from a single +3.3V supply. The MAX3171/MAX3173, along with the MAX3170 and MAX3172/MAX3174, form a complete software-selectable data terminal equipment (DTE) or data communications equipment (DCE) interface port that supports V.28 (RS-232) and V.10/V.11 (RS-449, V.36, EIA-530, EIA-530-A, X.21, RS-423) protocols. The MAX3171/MAX3173 transceivers carry the serial interface control signaling; the MAX3170 transceivers carry the clock and data signals. The MAX3172/MAX3174 have an extra transceiver for applications requiring four transceivers for control signaling.

    An internal charge pump and proprietary low-dropout transmitter output stage allow V.28, V.11, and V.10 compliant operation from a single +3.3V supply. A no-cable mode is entered when all mode pins (M0, M1, and M2) are pulled high or left unconnected. In no-cable mode, supply current decreases to 2mA and all transmitter and receiver outputs are disabled (high impedance). Short-circuit limiting and thermal-shutdown circuits protect the drivers against excessive power dissipation.

    The MAX3171 features 10µs deglitching on the V.10/V.11/V.28 receiver inputs. The MAX3173 is available for applications that do not require deglitching on the serial handshake signals. These parts require only four surface-mount capacitors for charge-pump operation in addition to supply bypassing.

    Applications

    • CSUs/DSUs
    • Data Networking
    • Data Routers
    • PCI Cards
    • Telecommunications

    Subscribe to Welllinkchips !
    Your Name
    * Email
    Submit a request