0
MAX221
  • MAX221

MAX221

PRODUCTION

+5V, 1µA, Single RS-232 Transceiver with AutoShutdown Industry's Smallest, Low-Power Single RS-232 Transceiver

Analog Devices MAX221 Product Info

10 February 2026 10

Features

  • Single RS-232 Transceiver in a Small 16-Pin TSSOP Package
  • 1µA Supply Current
  • AutoShutdown Saves Power Without Changes to BIOS
  • Guaranteed 250kbps Data Rate

Part details & applications

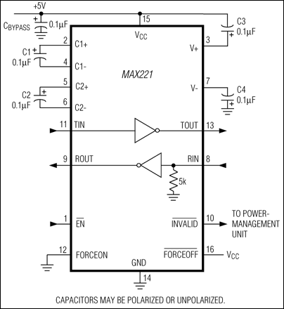
The MAX221 is a +5V-powered, single transmit/receive RS-232 and V.28 communications interface with automatic shutdown/wake-up features and high data rate capabilities.

The MAX221 achieves a low 1µA supply current with Maxim's revolutionary AutoShutdown™ feature. AutoShutdown saves power without changes to the existing BIOS or operating system by entering low-power shutdown mode when the RS-232 cable is disconnected, or when the transmitter of the connected peripheral is off. The MAX221 wakes up and drives the active-low INVALID pin high when an active RS-232 cable is connected, signaling the host that a peripheral is connected to the communications port.

The MAX221 is available in a 16-pin SSOP package as well as a 16-pin TSSOP that uses 50% less board space than a 16-pin SO. For an equivalent RS-232 transceiver with enhanced ±15kV ESD protection, refer to the MAX221E data sheet.

Applications

  • Industrial Systems
  • Maintenance/Diagnostic Ports
  • Set-Top Boxes
  • Telecommunications

Subscribe to Welllinkchips !
Your Name
* Email
Submit a request