0
MAX218
  • MAX218

MAX218

PRODUCTION

1.8V to 4.25V Powered, True RS-232 Dual Transceiver

Analog Devices MAX218 Product Info

10 February 2026 8

Features

BETTER THAN BIPOLAR!

  • Operates Directly from Two Alkaline, NiCd, or NiMH Cells
  • +1.8V to +4.25V Supply Voltage Range
  • 120kbps Data Rate
  • Low-Cost Surface-Mount Components
  • Meets EIA/TIA-232E Specifications
  • 1µA Low-Power Shutdown Mode
  • Both Receivers Active During Low-Power Shutdown
  • Three-State Receiver Outputs
  • Flow-Through Pinout
  • On-Board DC-DC Converters
  • 20-Pin SSOP, Wide SO, or DIP Packages

Part details & applications

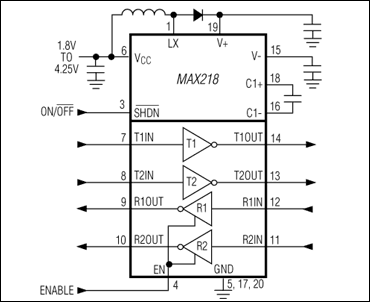
The MAX218 RS-232 transceiver is intended for battery-powered EIA/TIA-232E and V.28/V.24 communications interfaces that need two drivers and two receivers with minimum power consumption. It provides a wide +1.8V to +4.25V operating voltage range while maintaining true RS-232 and EIA/TIA-562 voltage levels. The MAX218 runs from two alkaline, NiCd, or NiMH cells without any form of voltage regulator.

A shutdown mode reduces current consumption to 1µA, extending battery life in portable systems. While shut down, all receivers can remain active or can be disabled under logic control, permitting a system incorporating the CMOS MAX218 to monitor external devices while in low-power shutdown mode.

A guaranteed 120kbps data rate provides compatibility with popular software for communicating with personal computers. Three-state drivers are provided on all receiver outputs so that multiple receivers, generally of different interface standards, can be wire-ORed at the UART. The MAX218 is available in 20-pin DIP, SO, and SSOP packages.

Applications

  • Battery-Powered Applications
  • Computers: Desktop, Workstation, Server
  • Instruments
  • Modems
  • Peripherals
  • Printers

Subscribe to Welllinkchips !
Your Name
* Email
Submit a request