0
MAX20830
  • MAX20830
  • MAX20830

MAX20830

RECOMMENDED FOR NEW DESIGNS

30A, 2MHz, 2.7V to 16V Integrated Step-Down Switching Regulator with PMBus

Analog Devices MAX20830 Product Info

10 February 2026 9

Features

  • High Power Density with Low Component Count
    • Compact 4.3mm x 6.55mm, 16-Pin FC2QFNPackage
    • Internal Compensation
    • Single Supply Operation with Integrated LDO for Bias Generation
  • Wide Operating Range
    • 2.7V to 16V Input Voltage Range
    • 0.4V to 5.8V Output Voltage Range
    • 500kHz to 2MHz Configurable Switching Frequency
    • -40°C to +125°C Junction Temperature Range
  • Optimized Performance and Efficiency
    • 94.5% Peak Efficiency with VDDH = 12V and VOUT = 1.8V
    • High Efficiency with Optional External Bias Input Supply
    • AMS to Improve Load-Transient Response
    • Differential Remote Sense
  • PMBus Interface
    • Adaptive Voltage Scaling of 0.4V to 0.8VReference Range
    • PMBus Telemetry of Output Current, Output Voltage, Input Voltage, and Junction Temperature

Part details & applications

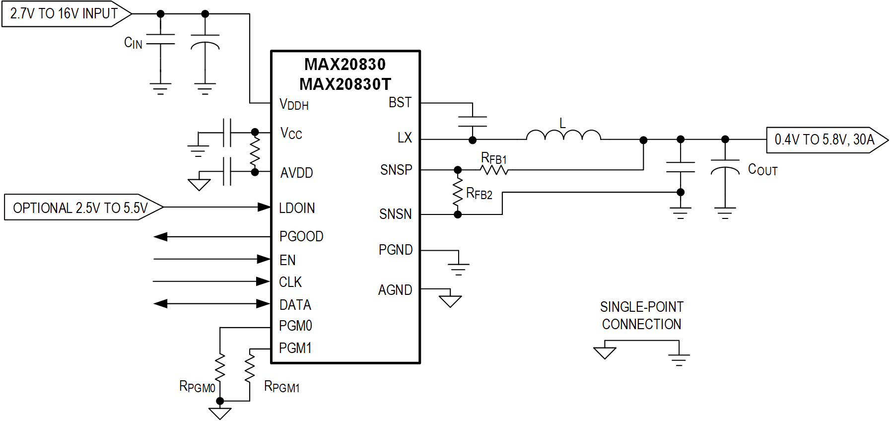
The MAX20830/MAX20830T are fully integrated, highly efficient, step-down DC-DC switching regulators with a PMBus interface. The devices operate from 2.7V to 16V input supplies, and the output can be adjusted from 0.4V to 5.8V, delivering up to 30A of load current.

The switching frequency of these devices can be configured from 500kHz to 2MHz to provide the capability of optimizing the design in terms of size and performance.

The MAX20830/MAX20830T utilize fixed frequency, current-mode control with internal compensation. The ICs feature a selectable advanced modulation scheme (AMS) to provide improved performance during fast load transients. Operation settings and configurable features can be selected by connecting pin-strap resistors from the PGM_ pins to ground or using PMBus commands.

The MAX20830/MAX20830T have an internal 1.8V LDO output to power the gate drives (VCC) and internal circuitry (AVDD). The devices also have an optional LDO input pin (LDOIN), allowing connection from a 2.5V to 5.5V bias input supply for optimized efficiency

The IC has multiple protections including positive and negative overcurrent protection, output overvoltage protection, and overtemperature protection to ensure robust design.

The devices are available in a 4.3mm x 6.55mm FC2QFN package that supports -40°C to +125°C junction temperature operation. The MAX20830/MAX20830T’s package footprint is compatible with the MAX20840T, MAX20815, and MAX20810.

Applications

  • Data Center Power
  • Communications Equipment
  • Networking Equipment
  • Servers and Storage
  • Point-of-Load Voltage Regulators

 

Subscribe to Welllinkchips !
Your Name
* Email
Submit a request