0
MAX16046A
  • MAX16046A

MAX16046A

PRODUCTION

12-Channel/8-Channel EEPROM-Programmable System Managers with Nonvolatile Fault Registers Most Integrated, 12-Channel/8-Channel System-Management ICs with NV Fault Monitoring

Analog Devices MAX16046A Product Info

10 February 2026 10

Features

  • Operate from 3V to 14V
  • 1% Accurate 10-Bit ADC Monitors 12/8 Inputs
  • 12/8 Monitored Inputs with 1 Overvoltage/1 Undervoltage/1 Selectable Limit
  • 12/8 8-Bit DAC Outputs for Margining or Voltage Adjustments
  • Nonvolatile Fault Event Logger
  • Power-Up and Power-Down Sequencing Capability
  • 12/8 Outputs for Sequencing/Power-Good Indicators
  • Closed-Loop Tracking for Up to Four Channels
  • Two Programmable Fault Outputs and One Reset Output
  • Six General-Purpose Input/Outputs Configurable as:
    • Dedicated Fault Output
    • Watchdog Timer Function
    • Manual Reset
    • Margin Enable Input
  • I²C/SMBus-Compatible and JTAG Interface
  • EEPROM-Configurable Time Delays, Thresholds, and DAC Outputs
  • 100 Bytes of Internal User EEPROM
  • -40°C to +125°C Operating Temperature Range

Part details & applications

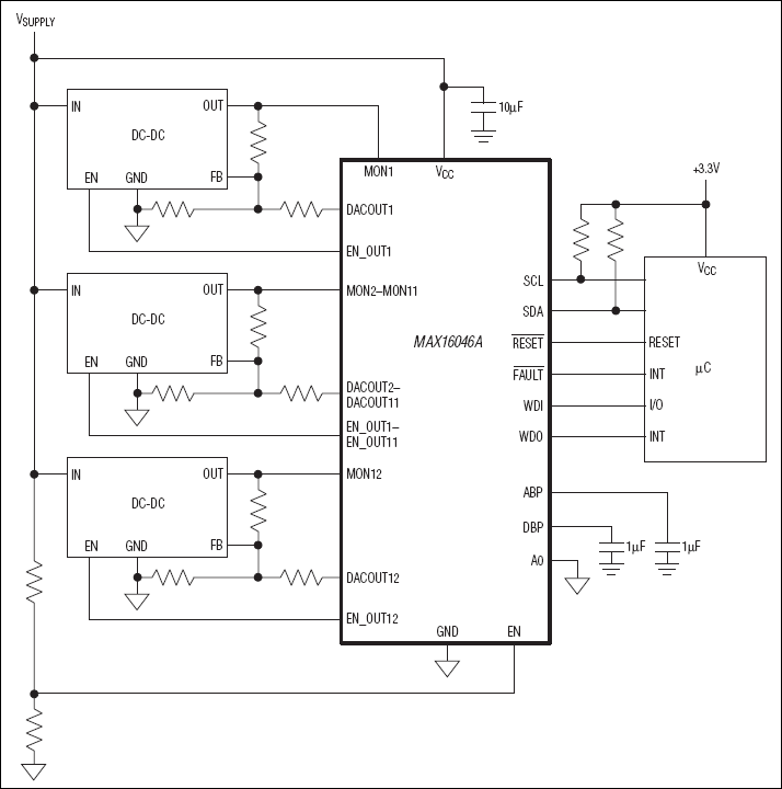
The MAX16046A/MAX16048A EEPROM-configurable system managers monitor, sequence, track, and margin multiple system voltages. The MAX16046A manages up to twelve system voltages simultaneously, and the MAX16048A manages up to eight supply voltages. These devices integrate an analog-to-digital converter (ADC) for monitoring supply voltages, digital-to-analog converters (DAC) for adjusting supply voltages, and configurable outputs for sequencing and tracking supplies (during power-up and power-down). Nonvolatile EEPROM registers are configurable for storing upper and lower voltage limits, setting timing and sequencing requirements, and for storing critical fault data for readback following failures.

An internal 1% accurate 10-bit ADC measures each input and compares the result to one upper, one lower, and one selectable upper or lower limit. A fault signal asserts when a monitored voltage falls outside the set limits. Up to three independent fault output signals are configurable to assert under various fault conditions.

The integrated sequencer/tracker allows precise control over the power-up and power-down order of up to twelve (MAX16046A) or up to eight (MAX16048A) power supplies. Four channels (EN_OUT1–EN_OUT4) support closed-loop tracking using external series MOSFETs. Six outputs (EN_OUT1–EN_OUT6) are configurable with charge-pump outputs to directly drive MOSFETs without closed-loop tracking.

The MAX16046A/MAX16048A include twelve/eight integrated 8-bit DAC outputs for margining power supplies when connected to the trim input of a point-of-load (POL) module.

The MAX16046A/MAX16048A include six programmable general-purpose inputs/outputs (GPIOs). GPIOs are EEPROM configurable as dedicated fault outputs, as a watchdog input or output (WDI/WDO), as a manual reset (active-low MR), or as margin control inputs.

The MAX16046A/MAX16048A f

Subscribe to Welllinkchips !
Your Name
* Email
Submit a request