0
MAX7357
  • MAX7357

MAX7357

PRODUCTION

1-to-8 I²C Bus Switches/Multiplexers with Bus Lock-up Detection, Isolation, and Notification Industry's Only I²C Switches with Bus Lock-Up Detection, Isolation, and Notification

Analog Devices MAX7357 Product Info

10 February 2026 5

Features

  • Bus Lock-Up Detection and Isolation (MAX7357, MAX7358)
  • Host Notification on Detection of Lock-Up (MAX7357, MAX7358)
  • Maintain Fault Diagnostic Information (MAX7357, MAX7358)
  • Dual-Function Active-Low RST/Active-Low INT Provides Lock-Up Notification and Hardware Reset (MAX7357, MAX7358)
  • Active-Low RST Input Resets I²C Interface (MAX7358)
  • 3 Address Control Inputs
  • Low RON Switches
  • Logic-Level Translation
  • Low 0.1µA (typ) Standby Current
  • Support Hot Insertion
  • 100kbps Standard-Mode or 400kbps Fast-Mode I²C Interface
  • Address Translation Allows Multiple Device with Same ID
  • 5.5V-Tolerant Inputs
  • 2.3V to 5.5V Supply

Part details & applications

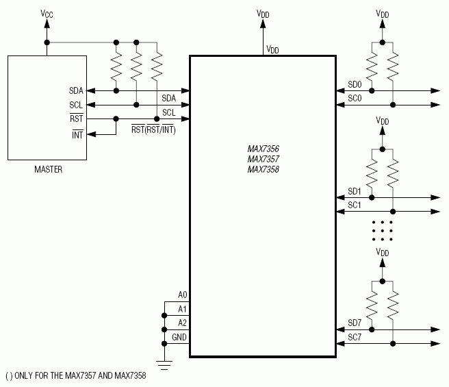
The MAX7356/MAX7357/MAX7358 8-channel I²C switches/multiplexers expand the main I²C bus to any combination of 8 extended I²C buses. They enable a master on the main bus to isolate and communicate with devices or groups of devices that may otherwise have slave address conflicts. Any extended bus can be connected or disconnected by control packets from the main I²C bus writing to the main control register of these I²C switches.

The MAX7357 and MAX7358 feature an enhanced mode that includes a built-in timer used to monitor all extended buses for lock-up conditions. If the clock or data line of any of these buses is low for more than 25ms (typ), a lock condition is detected. An optional interrupt can be generated through the bidirectional active-low RST/active-low INT. The master can read the bus lock-up register to find out which extended bus is locked up. The master can also enable the MAX7357 or the MAX7358 to send a "flush-out" sequence on the faulty channel. There is an optional preconnection check that can be enabled to toggle the extended bus clock and data line low then high to ensure the downstream bus is not locked high prior to connecting it to the host bus.

The MAX7356/MAX7357/MAX7358 are transparent to signals sent and received at each channel, allowing multiple masters. Any device connected to an I²C bus can transmit and receive signals; however, only the master connected to the host side of the MAX7356/MAX7357/MAX7358 should address the device.

The MAX7356/MAX7357/MAX7358 are available in 24-pin TSSOP and TQFN packages and are specified over the extended -40°C to +85°C temperature range.

Applications

  • Base Stations
  • Control and Automation Devices
  • Networking Equipment
  • RAID
  • Servers
  • SFP Control Interface

Subscribe to Welllinkchips !
Your Name
* Email
Submit a request