0
MAX20499
  • MAX20499

MAX20499

RECOMMENDED FOR NEW DESIGNS

Automotive Single 8A/12A Step-Down Converter Family High-Efficiency, Synchronous Step-Down 8A/12A Converters with a 3V to 5.5V Input Voltage

Analog Devices MAX20499 Product Info

10 February 2026 6

Features

  • High-Efficiency DC-DC Converter
  • Up to 12A peak output current:
    • MAX20499A: 8A
    • MAX20499B: 12A
  • Differential Remote Voltage Sensing
  • 3.0V to 5.5V Operating Supply Voltage
  • I2C Controlled Output Voltage: 0.5V to 1.275V in6.25mV Steps
  • Excellent Load-Transient Performance
  • Programmable Compensation
  • 2.2MHz or 1.1MHz Operation
  • ±1.5% Output Voltage Accuracy
  • Active-Low RESET Output
  • Current Mode, Forced-PWM Operation
  • Overtemperature and Short-Circuit Protection
  • 3.5mm x 3.75mm 17-Pin Side-Wettable FC2QFN
  • -40°C to +125°C Grade 1 Automotive TemperatureRange
  • AEC-Q100 Qualified

Part details & applications

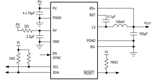
The MAX20499 is a family of high-efficiency, synchronous step-down converters that operate with a 3.0V to 5.5V input voltage range and supply a 0.5V to 1.275V output voltage range. The wide input/output voltage range and the ability to provide up to 12A peak output current make this device family ideal for on-board point-of-load and post-regulation applications. The MAX20499 achieves ±1.5% output error over load, line, and temperature ranges.

The MAX20499 features a 2.2MHz fixed-frequency PWM mode for better noise immunity and load-transient response. The 2.2MHz frequency operation allows for the use of all ceramic capacitors and minimizes external components. The spread-spectrum frequency modulation option minimizes radiated electromagnetic emissions. Integrated low RDS(ON) switches improve efficiency at heavy loads and make layout simpler than discrete solutions.

The MAX20499 is offered with factory-preset output voltage. See the Ordering Information table for options. The I2C interface supports dynamic voltage adjustment with programmable slew rates. Other features include programmable soft-start, along with overcurrent and overtemperature protections.

APPLICATIONS

  • Automotive Entertainment Systems
  • SoC Core Power

Subscribe to Welllinkchips !
Your Name
* Email
Submit a request