0
MAX20095
  • MAX20095

MAX20095

PRODUCTION

Backup Battery Charger and Boost Controller Integrated Backup Battery Charger and Boost Controller

Analog Devices MAX20095 Product Info

10 February 2026 5

Features

  • Efficient Solution
    • Minimum 2V Sync Boost with n-Channel FET Control
    • Skip Mode Guarantees > 50% Efficiency at 1mA
  • Multiple Functions to Enable Small Solution Size
    • 3V to 6V CC/CV Battery Charger
    • I2C-Settable Charging Current up to 1A
    • I2C-Selectable CV Voltage and CC Current Levels
    • Gate-Driver Output for p-Channel Load Disconnect
    • Backup Battery Switchover-Trigger Signal
  • State-of-Health for Backup Battery Monitoring
    • I2C Interface Diagnostics and Control Interface
    • Accurate Internal Current Sink for Battery Impedance Measurement
    • Analog Readout of Internal Sink Current from Backup Battery
    • Remote Sense for BATT_ Voltage Measurement
  • Robust for Automotive Environment
    • 3.5V to 36V VIN (40V Load-Dump Tolerant)
    • < 1µA Leakage for Pins Connected to the Battery
    • -40°C to +125°C Operating Temperature Range
    • 28-Pin, Side-Wettable TQFN Package Enables Optical Inspection

Part details & applications

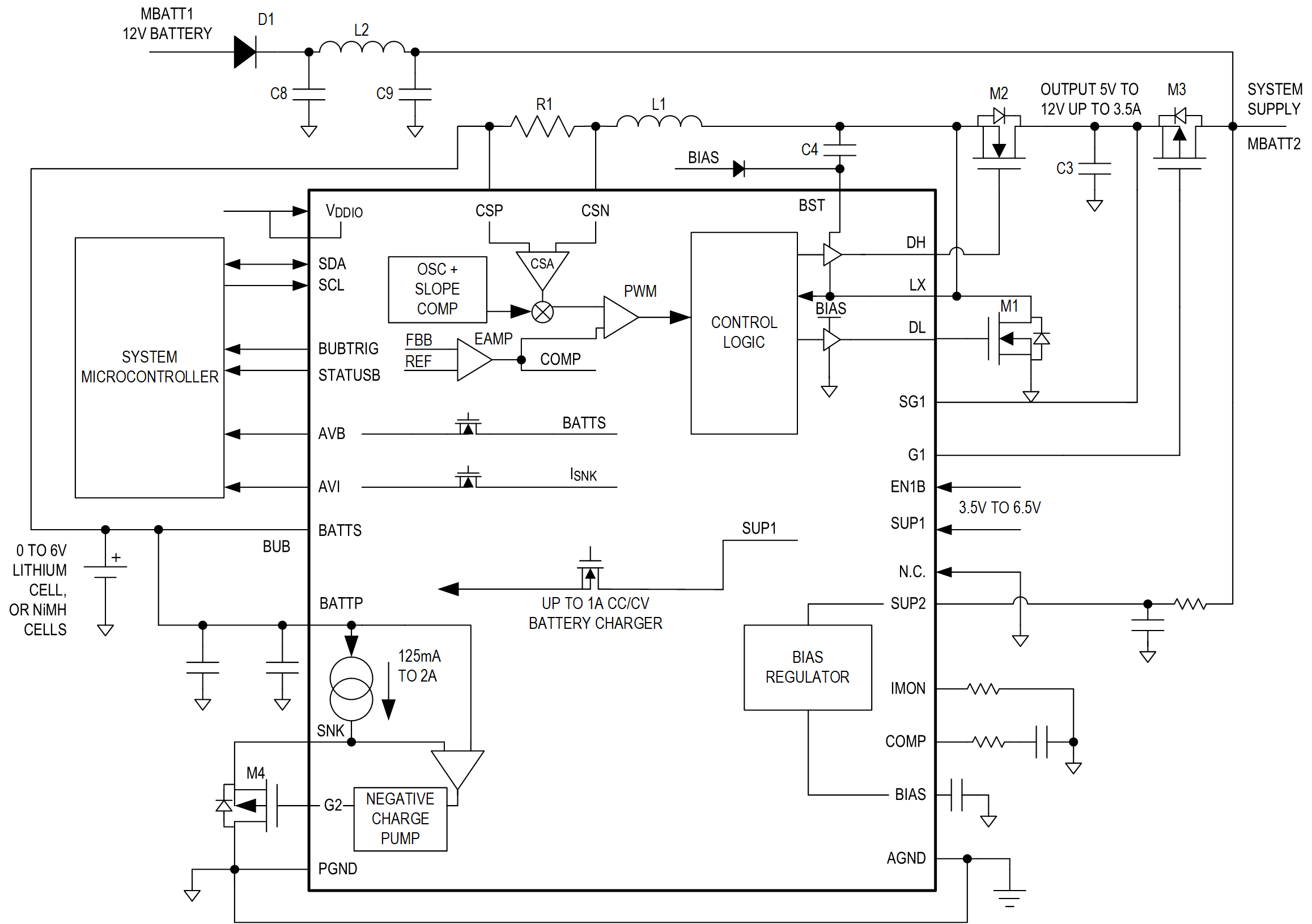
The MAX20094/MAX20095 ICs combine a configurable constant-current/constant-voltage (CC/CV) battery charger with a high-efficiency synchronous boost controller to supply critical systems in the event the primary power source is lost. In addition, diagnostic features are available to check battery state-of-health (SOH) and IC functionality. Charging thresholds and the boost output voltage are configurable to support popular battery chemistries and a wide range of cell counts. To support system integration, the ICs have an I2C target port through which configuration and status bits can be accessed.

Switching frequency of 2.2MHz also helps to reduce system cost by minimizing inductor size. The ICs also include a precision battery SOH check and have built-in functionality to minimize leakage current out of the backup battery (BUB).

The MAX20094/MAX20095 are available in a 28-pin (5mm x 5mm) side-wettable TQFN package and are AECQ-100 qualified.

Applications

  • Automotive Telematics Battery Backup
  • Single or Multicell Battery-Backup Systems

Subscribe to Welllinkchips !
Your Name
* Email
Submit a request