0
MAX20067
  • MAX20067
  • MAX20067
  • MAX20067

MAX20067

PRODUCTION

Automotive 3-Channel Display Bias IC with VCOM Buffer, Level Shifter, and I2C Interface Industry's First Integrated Power Solution for TFT-LCD with Synchronous Boost, Gate-Shading and I2C

Analog Devices MAX20067 Product Info

10 February 2026 15

Features

  • Versatile TFT Display Power Section
    • IIntegrated Synchronous Boost Converter with Output Voltages Up to 18V and High-power (MAX20067) or Lower-power (MAX20067B) Options
    • Integrated Charge-Pump Drivers for the VGON (+36V, max) and VGOFF (-24V, min) Outputs
  • Low EMI Operation
    • Programmable Switching Frequencies of 440kHz or 2.2MHz
    • Programmable Spread Spectrum
  • Full Sequencing Flexibility Through I2C, Along with Preset Sequences Using SEQ Pin
  • Extended Diagnostics Using I2C Interface
    • Undervoltage/Overvoltage on HVINP, VGON, and VGOFF
    • Overcurrent on AVDD
    • Temperature Warning
  • Built-In Gate-Shading Circuit Controlled by CTL Input
  • 8-Bit DAC-Controlled VCOM Buffer
  • Robust
    • -40°C to +105°C Operating Temperature Range
    • Internal Temperature Shutdown
    • AEC-Q100 Qualified
  • Compact 32-Pin (5mm × 5mm) TQFN Package

Part details & applications

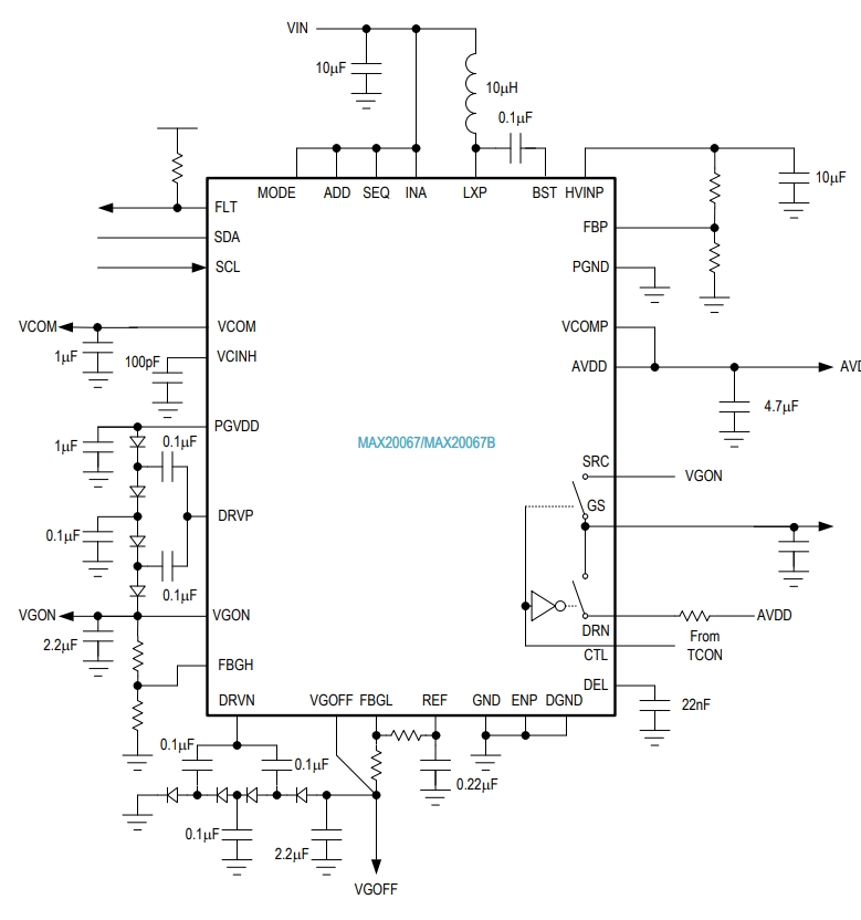
The MAX20067/MAX20067B are complete TFT bias solution for automotive applications. It includes a current-mode boost converter and two push-pull charge-pump drivers.

The IC also includes a gate-shading push-pull level shifter that can be used to improve display uniformity (when needed), and a DAC and VCOM buffer. All blocks on the IC can be used in stand-alone mode or through the I2C interface.

Comprehensive control functions are included using the built-in I2C interface, as well as diagnostics and monitoring.

The IC is intended to operate with 2.7V to 5.5V supplies.

The MAX20067/MAX20067B are available in a 32-pin TQFN package and operates in the -40°C to +105°C temperature range.

Applications

  • Central Information Displays
  • Infotainment Displays
  • Instrument Clusters

Subscribe to Welllinkchips !
Your Name
* Email
Submit a request