0
DS1687
  • DS1687

DS1687

PRODUCTION

3V/5V Real-Time Clock

Analog Devices DS1687 Product Info

10 February 2026 8

Features

Incorporates Industry-Standard DS1287 PC Clock plus Enhanced Features Such as:

  • Y2K Compliant
  • +3V or +5V Operation
  • 64-Bit Silicon Serial Number
  • Power-Control Circuitry Supports System Power-On from Date/Time Alarm or Key Closure
  • 32kHz Output for Power Management
  • Crystal-Select Bit Allows RTC to Operate with 6pF or 12.5pF Crystal
  • SMI Recovery Stack
  • 242 Bytes Battery-Backed NV RAM
  • Auxiliary Battery Input
  • RAM Clear Input
  • Century Register
  • Date Alarm Register
  • Compatible with Existing BIOS for Original DS1287 Functions
  • Available as Chip (DS1685) or Stand-Alone Encapsulated DIP (EDIP) with Embedded Battery and Crystal (DS1687)
  • Timekeeping Algorithm Includes Leap-Year Compensation Valid Through 2099

Part details & applications

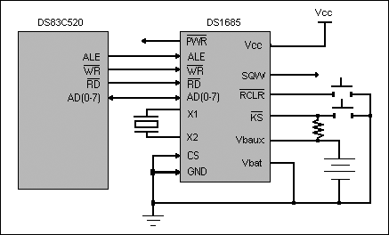
The DS1685/DS1687 are real-time clocks (RTCs) designed as successors to the industry-standard DS1285,DS1385, DS1485, and DS1585 PC RTCs. These devices provide the industry-standard DS1285 clock function with either +3.0V or +5.0V operation. The DS1685 also incorporates a number of enhanced features including a silicon serial number, power-on/off control circuitry, 242 bytes of user NV SRAM, and 32.768kHz output for sustaining power management activities.

The DS1685/DS1687 power-control circuitry allows the system to be powered on by an external stimulus such as a keyboard or by a time and date (wake-up) alarm. The PWR output pin can be triggered by one or either of these events, and can be used to turn on an external power supply. The PWR pin is under software control, so that when a task is complete, the system power can then be shut down.

The DS1685 is a clock/calendar chip with the features described above. An external crystal and battery are the only components required to maintain time-of-day and memory status in the absence of power. The DS1687 incorporates the DS1685 chip, a 32.768kHz crystal, and a lithium battery in a complete, self-contained timekeeping EDIP. The entire unit is fully tested at Dallas Semiconductor such that a minimum of 10 years of timekeeping and data retention in the absence of VCC is guaranteed.

Applications

  • Embedded Systems
  • Network Hubs, Switches, Routers
  • Security Systems
  • Utility Meters

Subscribe to Welllinkchips !
Your Name
* Email
Submit a request