0
MAX17030
  • MAX17030

MAX17030

PRODUCTION

1/2/3-Phase Quick-PWM IMVP-6.5 VID Controllers 3-Phase Quick-PWM IMVP-6.5 CPU Controllers for Calpella Platforms

Analog Devices MAX17030 Product Info

10 February 2026 6

Features

  • Triple/Dual-Phase Quick-PWM Controllers
  • 2 Internal Drivers + 1 External Driver
  • ±0.5% VOUT Accuracy Over Line, Load, and Temperature
  • 7-Bit IMVP-6.5 DAC
  • Dynamic Phase Selection Optimizes Active/Sleep Efficiency
  • Transient Phase Overlap Reduces Output Capacitance
  • Transient Suppression Feature (MAX17036 Only)
  • Integrated Boost Switches
  • Active Voltage Positioning with Adjustable Gain
  • Accurate Lossless Current Balance and Current Limit
  • Remote Output and Ground Sense
  • Adjustable Output Slew-Rate Control
  • Power-Good (IMVPOK), Clock Enable (Active-Low CLKEN), and Thermal-Fault (Active-Low VRHOT) Outputs
  • IMVP-6.5 Power Sequencing and Timing Compliant
  • Output Current Monitor (IMON)
  • Drives Large Synchronous Rectifier FETs
  • 7V to 26V Battery Input Range
  • Adjustable Switching Frequency (600kHz max)
  • Undervoltage, Overvoltage, and Thermal-Fault Protection

Part details & applications

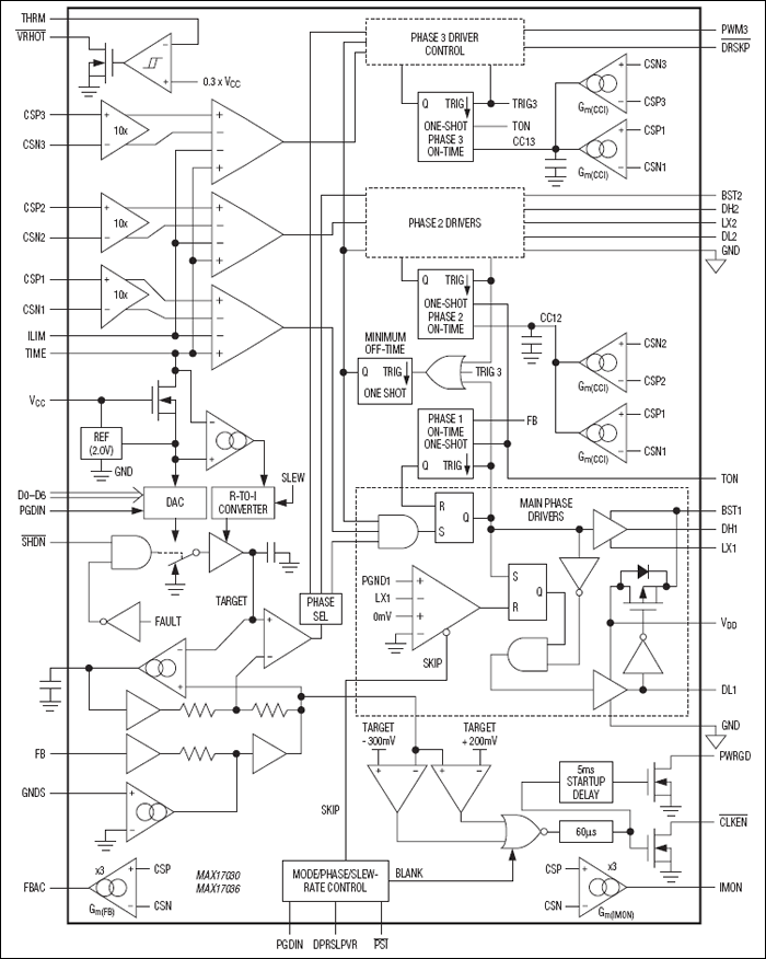
The MAX17030/MAX17036 are 3/2-phase interleaved Quick-PWM™ step-down VID power-supply controllers for IMVP-6.5 notebook CPUs. Two integrated drivers and the option to drive a third phase using an external driver such as the MAX8791 allow for a flexible 3/2-phase configuration depending on the CPU being supported.

True out-of-phase operation reduces input ripple-current requirements and output-voltage ripple while easing component selection and layout difficulties. The Quick-PWM control provides instantaneous response to fast load-current steps. Active voltage positioning reduces power dissipation and bulk output capacitance requirements and allows ideal positioning compensation for tantalum, polymer, or ceramic bulk output capacitors.

The MAX17030/MAX17036 are intended for bucking down the battery directly to create the core voltage. The single-stage conversion method allows this device to directly step down high-voltage batteries for the highest possible efficiency.

A slew-rate controller allows controlled transitions between VID codes. A thermistor-based temperature sensor provides programmable thermal protection. An output current monitor provides an analog current output proportional to the sum of the inductor currents, which in steady state is the same as the current consumed by the CPU.

Applications

  • 3 to 4 Li+ Cells Battery to CPU Core Supply Converters
  • High-Current Voltage-Positioned Step-Down Converters
  • IMVP-6.5 SV and XE Core Power Supplies
  • Notebooks/Desktops/Servers

Subscribe to Welllinkchips !
Your Name
* Email
Submit a request