0
MAX16932
  • MAX16932

MAX16932

PRODUCTION

2.2MHz, 36V, Dual Buck with 20µA Quiescent Current Low IQ, High-Frequency, Dual Buck Controllers Save Board Space and Meet Automotive OEM Power-Consumption Requirements

Analog Devices MAX16932 Product Info

10 February 2026 9

Features

  • Meets Stringent OEM Module Power Consumption and Performance Specifications
    • 20µA Quiescent Current in Skip Mode
    • ±1% Output-Voltage Accuracy: 5.0V/3.3V Fixed or Adjustable Between 1V and 10V
  • Enables Crank-Ready Designs
    • Wide Input Supply Range from 3.5V to 36V
  • EMI Reduction Features Reduce Interference with Sensitive Radio Bands without Sacrificing Wide Input Voltage Range
    • 50ns (typ) Minimum On-Time Guarantees Skip-Free Operation for 3.3V Output from Car Battery at 2.2MHz
    • Spread-Spectrum Option
    • Frequency-Synchronization Input
    • Resistor-Programmable Frequency Between 200kHz and 2.2MHz
  • Integration and Thermally Enhanced Packages Save Board Space and Cost
    • Dual, 2MHz Step-Down Controllers
    • 180° Out-of-Phase Operation
    • Current-Mode Controllers with Forced-Continuous and Skip Modes
    • Thermally Enhanced 28-Pin TQFN-EP Package
  • Protection Features Improve System Reliability
    • Supply Overvoltage and Undervoltage Lockout
    • Overtemperature and Short-Circuit Protection

Part details & applications

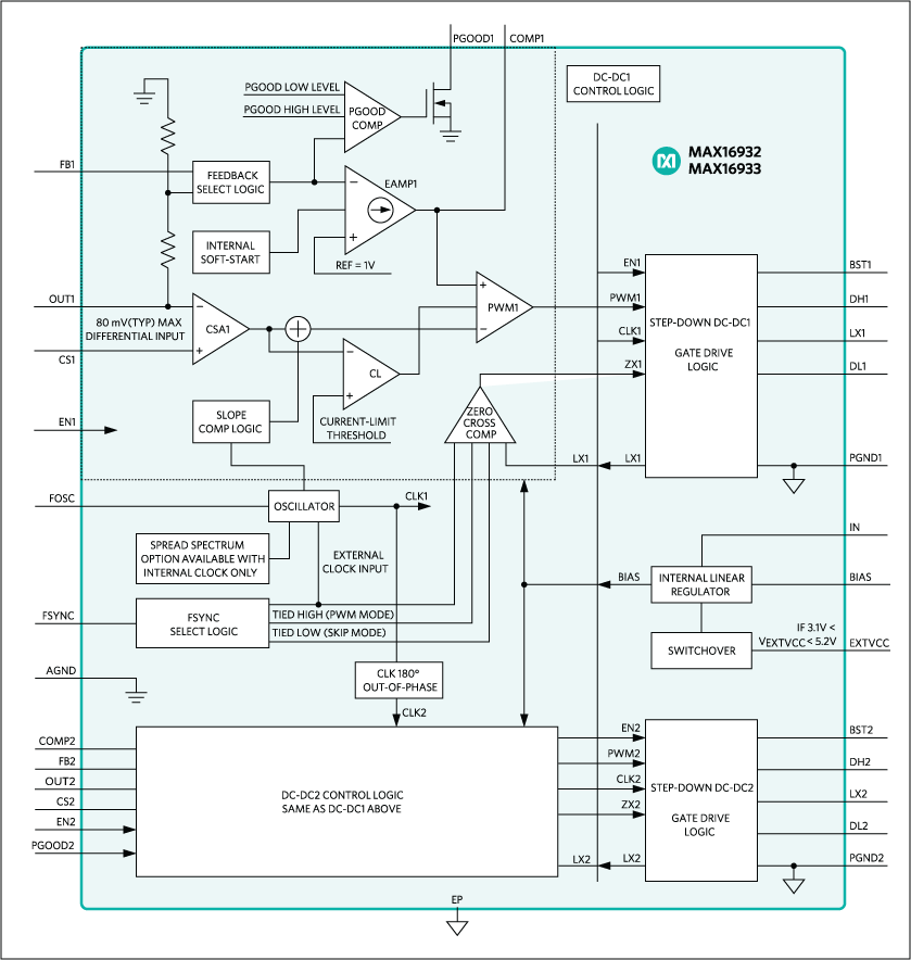
The MAX16932/MAX16933 offer two high-voltage, synchronous step-down controllers that use only 20µA of quiescent current with no load. They operate with an input voltage supply from 3.5V to 42V and can operate in drop-out condition by running at 95% duty cycle. The devices are intended for applications with mid- to high-power requirements and requiring two independently controlled output supplies, such as automotive applications.

The MAX16932/MAX16933 step-down controllers operate 180° out-of-phase for reduced input ripple. The devices also operate with switching frequencies up to 2.2MHz to allow use of small external components and to guarantee no AM band interference. The FSYNC input programmability enables three frequency modes for optimized performance: forced fixed-frequency operation, skip mode with ultra-low quiescent current (20µA), and synchronization to an external clock. The devices provide a spread-spectrum option to minimize EMI interference.

The devices also feature a power-OK monitor and overvoltage and undervoltage lockout. Protection features include cycle-by-cycle current limit and thermal shutdown.

The devices are available in a 28-pin TQFN-EP package and are specified for operation over the -40°C to +125°C automotive temperature range.

Applications

  • Distributed DC Power Systems
  • Navigation and Radio Head Units
  • POL Applications for Automotive Power

Subscribe to Welllinkchips !
Your Name
* Email
Submit a request