0
MAX1609
  • MAX1609
  • MAX1609

MAX1609

PRODUCTION

Octal, SMBus-to-Parallel I/O Expanders Octal, SMBus Serial-Parallel I/O Expanders Work Remotely via SMBus

Analog Devices MAX1609 Product Info

10 February 2026 8

Features

  • Serial-to-Parallel or Parallel-to-Serial Conversions
  • 8 General-Purpose Digital I/O Pins (withstand +28V)
  • SMBus 2-Wire Serial Interface
  • Supports SMBSUS-bar Asynchronous Suspend
  • 9 Pin-Selectable Slave Addresses
  • Outputs High Impedance on Power-Up (MAX1609)
  • Outputs Low on Power-Up (MAX1608)
  • 2.5µA Supply Current
  • +2.7V to +5.5V Supply Range
  • 16-Pin QSOP Package

Part details & applications

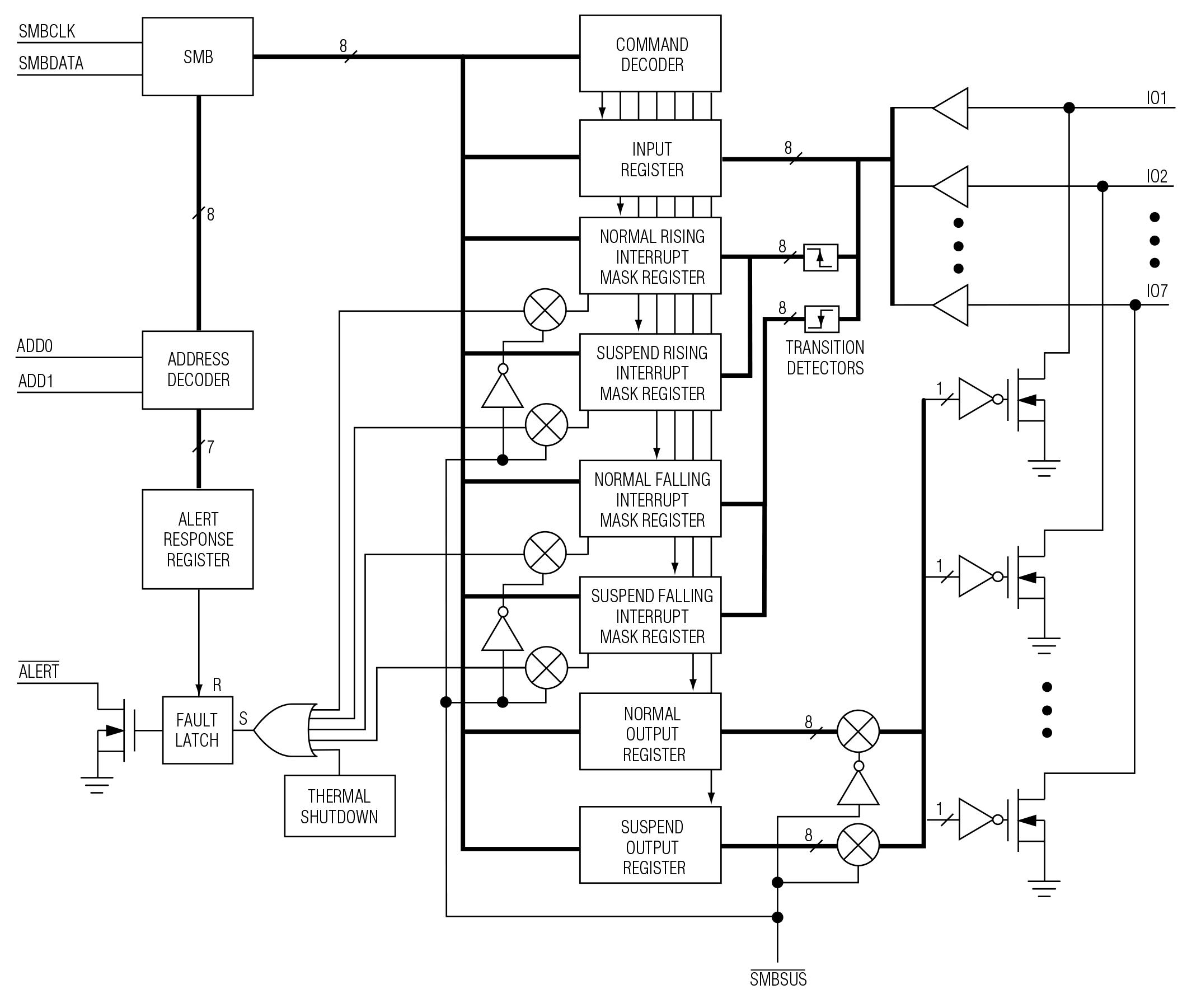
The MAX1608/MAX1609 provide remote input/output (I/O) expansion through an SMBus™ 2-wire serial interface. Each device has eight high-voltage open-drain outputs that double as TTL-level logic inputs, providing continuous bidirectional capabilities. The open-drain outputs tailor the MAX1608/MAX1609 for use in load-switching and other level-shifting applications as well as general-purpose I/O applications.

Two complete sets of registers allow the device and its outputs to be toggled between two states using the active-low SMBSUS input, without the inherent latency of reprogramming outputs over the serial bus. The eight I/O lines are continuously monitored and can be used as inputs. Each line can generate asynchronous maskable interrupts on the falling edge, the rising edge, or both edges.

For load-switching applications, the MAX1608 is designed to drive N-channel MOSFETs, and its outputs are low upon power-up; the MAX1609 is designed to drive P-channel MOSFETs, and its I/Os are high impedance upon power-up. Other features of both devices include thermal-overload and output-overcurrent protection, ultra-low supply current, and a wide +2.7V to +5.5V supply range. The MAX1608/MAX1609 are available in space-saving 16-pin QSOP packages.

Applications

  • Industrial Equipment
  • Notebook and Desktop Computers
  • Notebook Docking Stations
  • Parallel I/O Expansion
  • Power-Plane Switching
  • Servers and Workstations

Subscribe to Welllinkchips !
Your Name
* Email
Submit a request