0
MAX1585
  • MAX1585

MAX1585

PRODUCTION

5-Channel Slim DSC Power Supplies Highest Efficiency, Smallest, Five-Channel Slim Digital Still Camera Power Supply

Analog Devices MAX1585 Product Info

10 February 2026 8

Features

  • Step-Up DC-DC Converter, 95% Efficient
  • Step-Down DC-DC Converter
    • Operate from Battery for 95% Efficient Step-Down
    • 90% Efficient Boost-Buck with Step-Up
  • Three Auxiliary PWM DC-DC Controllers
  • No Transformers (MAX1585)
  • Up to 1MHz Operating Frequency
  • 1mA Shutdown Mode
  • Internal Soft-Start Control
  • Overload Protection
  • Compact 32-Pin Thin QFN Package (5mm x 5mm)

Part details & applications

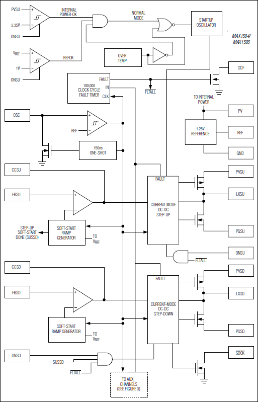
The MAX1584/MAX1585 provide a complete power-supply solution for slim digital cameras. They improve performance and lower component count and size compared to conventional multichannel controllers in 2-cell AA, 1-cell Li+, and dual-battery designs. On-chip MOSFETs provide up to 95% efficiency for critical power supplies, while additional channels operate with external FETs for optimum design flexibility.

The MAX1584/MAX1585 include five high-efficiency DC-DC conversion channels:

  • Step-up DC-DC converter with on-chip FETs
  • Step-down DC-DC converter with on-chip FETs
  • Three PWM DC-DC controllers for CCD, LCD, LED, or other functions
The step-down DC-DC converter can operate directly from the battery or from the step-up output, providing boost-buck capability with a compound efficiency of up to 90%. Both devices include three PWM DC-DC controllers: the MAX1584 includes two step-up controllers and one step-down controller, while the MAX1585 includes one step-up controller, one inverting controller, and one step-down controller. All DC-DC channels operate at one fixed frequency—settable from 100kHz to 1MHz—to optimize size, cost, and efficiency. Other features include soft-start, power-OK outputs, and overload protection. The MAX1584/MAX1585 are available in space-saving, 32-pin thin QFN packages. An evaluation kit is available to expedite designs.

Applications

  • Digital Cameras
  • PDAs

Subscribe to Welllinkchips !
Your Name
* Email
Submit a request