0
MAX14895E
  • MAX14895E

MAX14895E

PRODUCTION

Enhanced VGA Port Protector Fully Integrated VGA Port Protector Saves Space and Reduces Cost in Portable Applications

Analog Devices MAX14895E Product Info

10 February 2026 5

Features

  • Saves Power in Portable Applications
    • Low Quiescent Supply Current: 430µA (typ)
  • Eliminates Need for Costly External Components
    • High-ESD Protection on SDA1, SCL1, SYNCH1, SYNCV1, RED, GRN, BLU, Active-Low EN, VS
    • ±15kV Human Body Model (HBM)
    • ±8kV IEC 61000-4-2 Contact Discharge
  • Innovative Design Enables a High Level of Integration for Performance
    • Output Current-Limit Switch with Power-Off Protection
    • Low Capacitance on RGB Ports (2.2pF typ)
    • ±10mA Drive on SYNCH1, SYNCV1
  • Fully Integrated Solutions Saves Space in Portable Applications
    • DDC Outputs have Internal Pullups
    • 3mm x 3mm, 16-Pin TQFN Package

Part details & applications

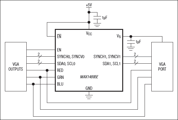
The MAX14895E integrates level-translating buffers and features RED, GRN, and BLU (RGB) port protection for VGA signals.

The device has horizontal sync (SYNCH_) and vertical synch (SYNCV_) translating buffers that convert low-level CMOS inputs from a graphics controller to meet full 5V, TTL-compatible outputs. Each output can drive ±10mA and meets the VESASM specification. In addition, the device translates the direct digital control (DDC) signals to a lower level that is safe for the graphics controller.

The device features both EN and active-low EN inputs, accepting active-high or active-low enable inputs. The device also switches and current limits the 5V supply to a VGA connector or monitor.

The RED, GRN, and BLU terminals protect graphics controller outputs against electrostatic discharge (ESD) events. All eight outputs and active-low EN have high-level ESD protection.

The MAX14895E is specified over the extended -40°C to +85°C temperature range and is available in a 16-pin, 3mm x 3mm TQFN package with exposed pad.

Applications

  • Desktops
  • Graphics Cards
  • Notebook Computers
  • Servers

Subscribe to Welllinkchips !
Your Name
* Email
Submit a request