0
MAX13432E
  • MAX13432E

MAX13432E

PRODUCTION

RS-485 Transceivers with Low-Voltage Logic Interface Robust RS-485 Transceivers Interface with Low-Voltage ASIC and FPGA Logic Interfaces

Analog Devices MAX13432E Product Info

10 February 2026 13

Features

  • Wide +3V to +5V Input Supply Range
  • Low-Voltage Logic Interface +1.62V (min)
  • Ultra-Low Supply Current in Shutdown Mode 10µA ICC (max), 1µA IL (max)
  • Thermal Shutdown Protection
  • Hot-Swap Input Structures on DE and RE
  • 1/8-Unit Load Allows Up to 256 Transceivers on the Bus
  • Enhanced Slew-Rate Limiting (MAX13430E/MAX13432E)
  • Extended ESD Protection for RS-485 I/O Pins
    • ±30kV Human Body Model
    • ±15kV Air-Gap Discharge per IEC 61000-4-2
    • ±10kV Contact Discharge per IEC 61000-4-2
  • Extended -40°C to +85°C Operating Temperature Range
  • Space-Saving TDFN and µMAX Packages

Part details & applications

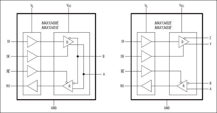
The MAX13430E–MAX13433E are full- and half-duplex RS-485 transceivers that feature an adjustable low-voltage logic interface for operation in multivoltage systems. This allows direct interfacing to low-voltage ASIC/FPGAs without extra components. The MAX13430E–MAX13433E RS-485 transceivers operate with a VCC voltage supply from +3V to +5V. The low-voltage logic interface operates with a voltage supply from +1.62V to VCC.

The MAX13430E/MAX13432E feature reduced slew-rate drivers that minimize EMI and reduce reflections caused by improperly terminated cables, allowing error-free data transmission up to 500kbps. The MAX13431E/MAX13433E driver slew rates are not limited, enabling data transmission up to 16Mbps. The MAX13430E/MAX13431E are intended for half-duplex communications, and the MAX13432E/MAX13433E are intended for full-duplex communications.

The MAX13430E/MAX13431E are available in 10-pin µMAX® and 10-pin TDFN packages. The MAX13432E/MAX13433E are available in 14-pin TDFN and 14-pin SO packages.

Applications

  • HVAC
  • Industrial Control Systems
  • Motor Control
  • Portable Industrial Equipment

Subscribe to Welllinkchips !
Your Name
* Email
Submit a request