0
MAX1340
  • MAX1340

MAX1340

PRODUCTION

12-Bit, Multichannel ADCs/DACs with FIFO, Temperature Sensing, and GPIO Ports

Analog Devices MAX1340 Product Info

10 February 2026 7

Features

  • 12-Bit, 225ksps ADC
    • Analog Multiplexer with True-Differential Track/Hold (T/H)
    • 8 Single-Ended Channels or 4 Differential Channels (Unipolar or Bipolar) (MAX1340/MAX1342)
    • 4 Single-Ended Channels or 2 Differential Channels (Unipolar or Bipolar) (MAX1346/MAX1348)
    • Excellent Accuracy: ±0.5 LSB INL, ±0.5 LSB DNL
  • 12-Bit, Quad, 2µs Settling DAC
    • Ultra-Low Glitch Energy (4nV•s)
    • Power-Up Options from Zero Scale or Full Scale
    • Excellent Accuracy: ±0.5 LSB INL
  • Internal Reference or External Single-Ended/Differential Reference Internal Reference Voltage (4.096V)
  • Internal ±1°C Accurate Temperature Sensor
  • On-Chip FIFO Capable of Storing 16 ADC Conversion Results and One Temperature Result
  • On-Chip Channel-Scan Mode and Internal Data-Averaging Features
  • Analog Single-Supply Operation +4.75V to +5.25V
  • Digital Supply: 2.7V to AVDD
  • 25MHz, SPI/QSPI/MICROWIRE Serial Interface
  • AutoShutdown Between Conversions
  • Low-Power ADC
    • 2.5mA at 225ksps
    • 22µA at 1ksps
    • 0.2µA at Shutdown
  • Low-Power DAC: 1.5mA
  • Evaluation Kit Available (Order MAX1258EVKIT)

Part details & applications

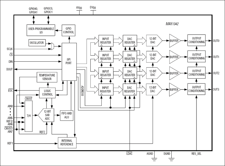
The MAX1340/MAX1342/MAX1346/MAX1348 integrate a multichannel, 12-bit, analog-to-digital converter (ADC) and a quad, 12-bit, digital-to-analog converter (DAC) in a single IC. The devices also include a temperature sensor and configurable general-purpose I/O ports (GPIOs) with a 25MHz SPI™-/QSPI™-/MICROWIRE™-compatible serial interface. The ADC is available in a 4 or an 8 input-channel version. The four DAC outputs settle within 2.0µs, and the ADC has a 225ksps conversion rate.

All devices include an internal reference (4.096V) providing a well-regulated, low-noise reference for both the ADC and DAC. Programmable reference modes for the ADC and DAC allow the use of an internal reference, an external reference, or a combination of both. Features such as an internal ±1°C accurate temperature sensor, FIFO, scan modes, programmable internal or external clock modes, data averaging, and AutoShutdown™ allow users to minimize both power consumption and processor requirements. The low glitch energy (4nV•s) and low digital feedthrough (0.5nV•s) of the integrated quad DACs make these devices ideal for digital control of fast-response closed-loop systems.

The devices are guaranteed to operate with a supply voltage from +4.75V to +5.25V The devices consume 2.5mA at 225ksps throughput, only 22µA at 1ksps throughput, and under 0.2µA in the shutdown mode. The MAX1342/MAX1348 offer four GPIOs that can be configured as inputs or outputs.

The MAX1340/MAX1342/MAX1346/MAX1348 are available in 36-pin thin QFN packages. All devices are specified over the -40°C to +85°C temperature range.

Applications

  • Closed-Loop Controls for Optical Components and Base Stations
  • Data Acquisition Systems
  • System Supervision and Control

Subscribe to Welllinkchips !
Your Name
* Email
Submit a request