0
MAX1290
  • MAX1290

MAX1290

PRODUCTION

400ksps, +5V, 8-/4-Channel, 12-Bit ADCs with +2.5V Reference and Parallel Interface Smallest, Low-Power, Parallel-Output 12-Bit ADCs

Analog Devices MAX1290 Product Info

10 February 2026 16

Features

  • 12-Bit Resolution, ±0.5 LSB Linearity
  • +5V Single-Supply Operation
  • User-Adjustable Logic Level (+2.7V to +5.5V)
  • Internal +2.5V Reference
  • Software-Configurable Analog Input Multiplexer
    • 8-Channel Single-Ended/4-Channel Pseudo-Differential (MAX1290)
    • 4-Channel Single-Ended/2-Channel Pseudo-Differential (MAX1292)
  • Software-Configurable Unipolar/Bipolar Analog Inputs
  • Low Current:
    • 2.5mA (400ksps)
    • 1.0mA (100ksps)
    • 400µA (10ksps)
    • 2µA (Shutdown)
  • Internal 6MHz Full-Power Bandwidth Track/Hold
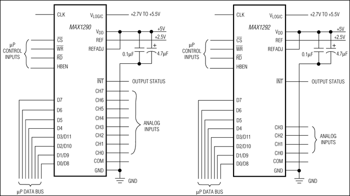
  • Byte-Wide Parallel (8 + 4) Interface
  • Small Footprint:
    • 28-Pin QSOP (MAX1290)
    • 24-Pin QSOP (MAX1292)

Part details & applications

The MAX1290/MAX1292 low-power, 12-bit analog-to-digital converters (ADCs) feature a successive-approximation ADC, automatic power-down, fast wake-up (2µs), an on-chip clock, +2.5V internal reference, and a high-speed, byte-wide parallel interface. The devices operate with a single +5V analog supply and feature a VLOGIC pin that allows them to interface directly with a +2.7V to +5.5V digital supply.

Power consumption is only 10mW (VDD = VLOGIC) at a 400ksps max sampling rate. Two software-selectable power-down modes enable the MAX1290/MAX1292 to be shut down between conversions; accessing the parallel interface returns them to normal operation. Powering down between conversions can cut supply current to under 10µA at reduced sampling rates.

Both devices offer software-configurable analog inputs for unipolar/bipolar and single-ended/pseudo-differential operation. In single-ended mode, the MAX1290 has eight input channels and the MAX1292 has four input channels (four and two input channels, respectively, when in pseudo-differential mode).

Excellent dynamic performance and low power, combined with ease of use and small package size, make these converters ideal for battery-powered and data-acquisition applications or for other circuits with demanding power consumption and space requirements.

The MAX1290/MAX1292 tri-states active-low INT when active-low CS goes high. Refer to MAX1262/MAX1264 if tri-stating active-low INT is not desired.

The MAX1290 is available in a 28-pin QSOP package, while the MAX1292 comes in a 24-pin QSOP. For pin-compatible +3V, 12-bit versions, refer to the MAX1291/MAX1293 data sheet.

Applications

  • Data Acquisition Systems
  • Data Logging
  • Energy Management
  • Industrial Controls Systems
  • Patient Monitoring
  • Touc

Subscribe to Welllinkchips !
Your Name
* Email
Submit a request