0
LTC3370
  • LTC3370
  • LTC3370
  • LTC3370

LTC3370

RECOMMENDED FOR NEW DESIGNS

4-Channel 8A Configurable Buck DC/DCs

Analog Devices LTC3370 Product Info

10 February 2026 10

Features

  • 8 × 1A Power Stages Configurable as 2, 3, or 4 Output Channels
  • 8 Unique Output Configurations (1A to 4A Per Channel)
  • Independent VIN Supplies for Each DC/DC (2.25V to 5.5V)
  • Low Total No Load Supply Current:
    • Zero Current In Shutdown (All Channels Off)
    • 63μA One Channel Active in Burst Mode® Operation
    • 18μA Per Additional Channel
  • Precision Enable Pin Thresholds for Autonomous Sequencing
  • 1MHz to 3MHz RT Programmable Frequency (2MHz Default) or PLL Synchronization
  • Temp Monitor Indicates Die Temperature
  • PGOODALL Pin Indicates All Enabled Bucks Are in Regulation
  • 32-Lead 5mm × 5mm QFN Package

Part details & applications

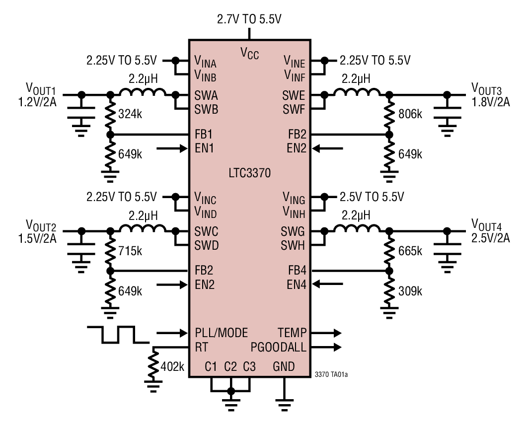
The LTC3370 is a highly flexible multioutput power supply IC. The device includes four synchronous buck converters, configured to share eight 1A power stages, each of which is powered from independent 2.25V to 5.5V inputs.

The DC/DCs are assigned to one of eight power configurations via pin programmable C1-C3 pins. The common buck switching frequency may be programmed with an external resistor, synchronized to an external oscillator, or set to a default internal 2MHz clock.

The operating mode for all DC/DCs may be programmed via the PLL/MODE pin for Burst Mode or forced continuous mode operation. A PGOODALL output indicates when all enabled DC/DCs are within a specified percentage of their final output value.

To reduce input noise, the buck converters are phased in 90° steps. Precision enable pin thresholds facilitate reliable power-up sequencing. The LTC3370 is available in a 32-lead 5mm × 5mm QFN package.

Applications

  • General Purpose Multichannel Power Supplies: Automotive, Industrial, Distributed Power Systems

Subscribe to Welllinkchips !
Your Name
* Email
Submit a request