0
LTC1545
  • LTC1545
  • LTC1545

LTC1545

PRODUCTION

Software-Selectable Multiprotocol Transceiver

Analog Devices LTC1545 Product Info

10 February 2026 7

Features

  • Software-Selectable Transceiver Supports: RS232, RS449, EIA530, EIA530-A, V.35, V.36, X.21
  • TUV/Detecon Inc. Certified NET1 and NET2 Compliant (Test Report No. NET2/071601/98)
  • TBR2 Compliant (Test Report No. CTR2/071601/98)
  • Software-Selectable Cable Termination Using the LTC1344A
  • Complete DTE or DCE Port with LTC1543, LTC1344A
  • Operates from Single 5V Supply with LTC1543

Part details & applications

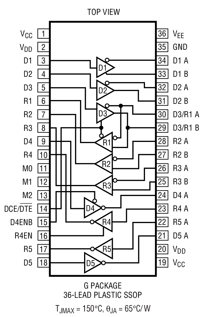
The LTC1545 is a 5-driver/5-receiver multiprotocol transceiver. The LTC1545 and LTC1543 form the core of a complete software-selectable DTE or DCE interface port that supports the RS232, RS449, EIA530, EIA530-A, V.35, V.36 or X.21 protocols. Cable termination may be implemented using the LTC1344A software-selectable cable termination chip or by using existing discrete designs.

The LTC1545 runs from a 5V supply and the charge pump on the LTC1543. The part is available in a 36-lead SSOP surface mount package.

Applications

  • Data Networking
  • CSU and DSU
  • Data Routers

Subscribe to Welllinkchips !
Your Name
* Email
Submit a request