0
MAX1267
  • MAX1267

MAX1267

PRODUCTION

265ksps, +3V, 6-/2-Channel, 12-Bit ADCs with +2.5V Reference and Parallel Interface

Analog Devices MAX1267 Product Info

10 February 2026 11

Features

  • 12-Bit Resolution, ±0.5 LSB Linearity
  • +3V Single-Supply Operation
  • Internal +2.5V Reference
  • Software-Configurable Analog Input Multiplexer
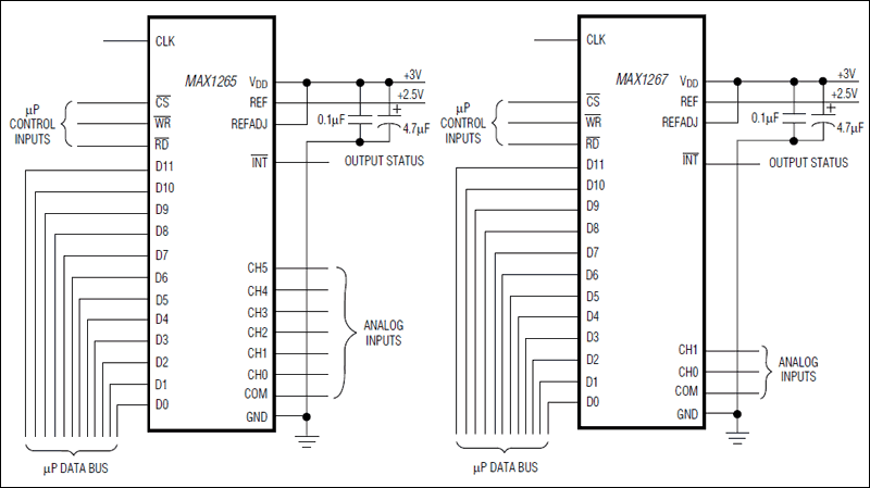
    • 6-Channel Single Ended/3-Channel Pseudo Differential (MAX1265)
    • 2-Channel Single Ended/1-Channel Pseudo Differential (MAX1267)
  • Software-Configurable Unipolar/Bipolar Analog Inputs
  • Low Current
    • 1.9mA (265ksps)
    • 1.0mA (100ksps)
    • 400µA (10ksps)
    • 2µA (Shutdown)
  • Internal 3MHz Full-Power Bandwidth Track/Hold
  • Parallel 12-Bit Interface
  • Small Footprint
    • 28-Pin QSOP (MAX1265)
    • 24-Pin QSOP (MAX1267)

Part details & applications

The MAX1265/MAX1267 low-power, 12-bit analog-to-digital converters (ADCs) feature a successive-approximation ADC, automatic power-down, fast wake-up (2µs), an on-chip clock, +2.5V internal reference, and a high-speed 12-bit parallel interface. They operate with a single +2.7V to +3.6V analog supply.

Power consumption is only 5.4mW at the maximum sampling rate of 265ksps. Two software-selectable power-down modes enable the MAX1265/MAX1267 to be shut down between conversions; accessing the parallel interface returns them to normal operation. Powering down between conversions can reduce supply current below 10µA at lower sampling rates.

Both devices offer software-configurable analog inputs for unipolar/bipolar and single-ended/pseudo-differential operation. In single-ended mode, the MAX1265 has six input channels and the MAX1267 has two (three input channels and one input channel, respectively, when in pseudo-differential mode).

Excellent dynamic performance and low power, combined with ease of use and small package size, make these converters ideal for battery-powered and data-acquisition applications or for other circuits with demanding power-consumption and space requirements. The MAX1265 is offered in a 28-pin QSOP package, while the MAX1267 comes in a 24-pin QSOP. For pin-compatible +5V, 12-bit versions, refer to the MAX1266/MAX1268 data sheet.

Applications

  • Data Acquisition Systems
  • Data Logging
  • Energy Management
  • Industrial Controls Systems
  • Patient Monitoring
  • Touch Screens

Subscribe to Welllinkchips !
Your Name
* Email
Submit a request