0
MAX1127
  • MAX1127

MAX1127

PRODUCTION

Quad, 12-Bit, 65Msps, 1.8V ADC with Serial LVDS Outputs

Analog Devices MAX1127 Product Info

10 February 2026 7

Features

  • Four ADC Channels with Serial LVDS/SLVS Outputs
  • Excellent Dynamic Performance
    • 69.6dB SNR at fIN = 19.3MHz
    • 92dBc SFDR at fIN = 19.3MHz
    • -87dB Channel Isolation
  • Ultra-Low Power
    • 135mW per Channel (Normal Operation)
    • 1.2mW Total (Shutdown Mode)
  • Accepts 20% to 80% Clock Duty Cycle
  • Self-Aligning Data-Clock to Data-Output Interface
  • Fully Differential Analog Inputs
  • Wide ±1.4VP-P Differential Input Voltage Range
  • Internal/External Reference Option
  • Test Mode for Digital Signal Integrity
  • LVDS Outputs Support Up to 30in FR-4 Backplane Connections
  • Small, 68-Pin QFN with Exposed Paddle
  • Evaluation Kit Available (MAX1127EVKIT)

Part details & applications

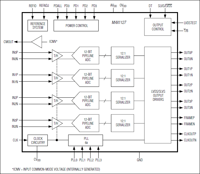
The MAX1127 quad, 12-bit analog-to-digital converter (ADC) features fully differential inputs, a pipelined architecture, and digital error correction. This ADC is optimized for low-power, high-dynamic performance for medical imaging, communications, and instrumentation applications. The MAX1127 operates from a 1.7V to 1.9V single supply and consumes only 563mW while delivering a 69.6dB signal-to-noise ratio (SNR) at a 19.3MHz input frequency. In addition to low operating power, the MAX1127 features a 675µA power-down mode for idle periods.

An internal 1.24V precision bandgap reference sets the ADC's full-scale range. A flexible reference structure allows the use of an external reference for applications requiring increased accuracy or a different input voltage range.

A single-ended clock controls the conversion process. An internal duty-cycle equalizer allows for wide variations in input-clock duty cycle. An on-chip phaselocked loop (PLL) generates the high-speed serial low-voltage differential signaling (LVDS) clock.

The MAX1127 provides serial LVDS outputs for data, clock, and frame alignment signals. The output data is presented in two's complement or binary format.

Refer to the MAX1126 data sheet for a pin-compatible 40Msps version of the MAX1127.

The MAX1127 is available in a small, 10mm x 10mm x 0.9mm, 68-pin QFN package with exposed paddle and is specified for the extended industrial (-40°C to +85°C) temperature range.

Applications

  • Instrumentation
  • Multichannel Communication Systems
  • Positron Emission Tomography (PET) Imaging
  • Ultrasound and Medical Imaging

Subscribe to Welllinkchips !
Your Name
* Email
Submit a request