0
MAX3386E
  • MAX3386E

MAX3386E

PRODUCTION

3.0V, ±15kV ESD-Protected RS-232 Transceivers for PDAs and Cell Phones Separate Logic Supplies Ensure Compatibility with Mixed ASIC Logic Levels

Analog Devices MAX3386E Product Info

10 February 2026 9

Features

  • VL Pin for Compatibility with Mixed-Voltage Systems
  • Enhanced ESD Protection on Rx Inputs and Tx Outputs
    • ±15kV—Human Body Model
    • ±25kV—IEC 1000-4-2, Air-Gap Discharge
    • ±8kV—IEC 1000-4-2, Contact Discharge
  • Low 300µA Supply Current
  • Guaranteed 250kbps Data Rate
  • 1µA Low-Power Shutdown
  • Meets EIA/TIA-232 Specifications Down to 3.0V

Part details & applications

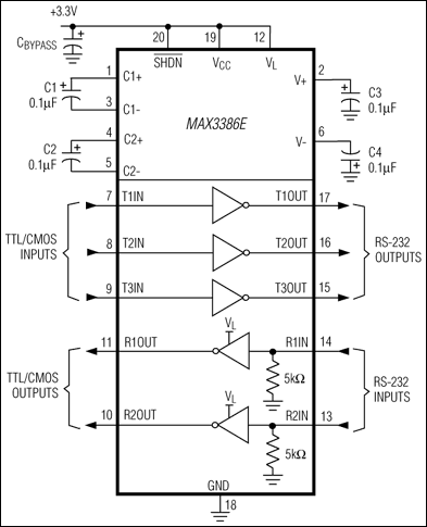
The MAX3386E 3V-powered EIA/TIA-232 and V.28/V.24 is a communications interface with low power requirements, high data-rate capabilities, and enhanced electrostatic discharge (ESD) protection. The MAX3386E has two receivers and three transmitters. All RS-232 inputs and outputs are protected to ±25kV using the IEC 1000-4-2 Air-Gap Discharge method, ±8kV using the IEC 1000-4-2 Contact Discharge method, and ±15kV using the Human Body Model.

A proprietary low-dropout transmitter output stage enables true RS-232 performance from a +3.0V to +5.5V supply with a dual charge pump. The charge pump requires only four small 0.1µF capacitors for operation from a +3.3V supply. The MAX3386E is capable of running at data rates up to 250kbps while maintaining RS-232 compliant output levels.

The MAX3386E has a unique VL pin that allows interoperation in mixed-logic voltage systems. Both input and output logic levels are pin programmable through the VL pin. The MAX3386E is available in a space-saving TSSOP package.

Applications

  • Battery-Powered Applications
  • Cellular Data Cables
  • Handheld Equipment
  • PDAs and PDA Cradles
  • Peripherals
  • Subnotebook and Palmtop Computers

Subscribe to Welllinkchips !
Your Name
* Email
Submit a request