0
LTM2985
  • LTM2985
  • LTM2985
  • LTM2985

LTM2985

RECOMMENDED FOR NEW DESIGNS

Isolated High Accuracy Digital Temperature Measurement System with EEPROM

Analog Devices LTM2985 Product Info

10 February 2026 6

Features

  • 5000VRMS Isolated Power and SPI Interface
  • Directly Digitizes 2-, 3- or 4-Wire RTDs, Thermocouples, Thermistors and Diodes
  • 10 Flexible Inputs Allow Interchanging Sensors
  • Automatic Thermocouple Cold Junction Compensation
  • Built-In Standard and User-Programmable Coefficients for Thermocouples, RTDs and Thermistors
  • Automatic Burn Out, Short-Circuit and Fault Detection
  • Buffered Inputs Allow External Protection
  • Simultaneous 50Hz/60Hz Rejection
  • Includes 15ppm/°C (Max) Reference
  • Includes Special Protection Modes
  • On-Chip EEPROM Stores Channel Configuration Data and Custom Coefficients

Part details & applications

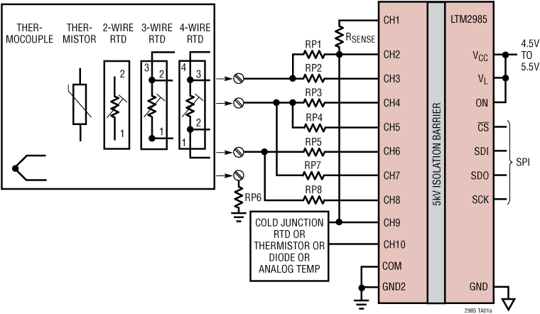
The LTM2985 measures a wide variety of temperature sensors and digitally outputs the result, in °C or °F, with 0.1°C accuracy and 0.001°C resolution. The LTM2985 can measure the temperature of virtually all standard (Type B, E, J, K, N, S, R, T) or custom thermocouples, automatically compensate for cold junction temperatures and linearize the results. The device can also measure temperature with standard 2-, 3- or 4-wire RTDs, thermistors and diodes. The LTM2985 includes excitation current sources and fault detection circuitry appropriate for each type of temperature sensor.

The LTM2985 is an isolated 10-channel temperature mea-surement system software compatible with the LTC2986-1. It provides 5kV isolated power and SPI interface to the precision temperature-to-bits converter. The LTM2985 also includes a user-programmable EEPROM for custom sensor data.

APPLICATIONS

  • Direct Thermocouple Measurements
  • Direct RTD Measurements
  • Direct Thermistor Measurements
  • Custom Sensor Applications

Subscribe to Welllinkchips !
Your Name
* Email
Submit a request