0
LTC5594
  • LTC5594
  • LTC5594
  • LTC5594

LTC5594

RECOMMENDED FOR NEW DESIGNS

300MHz to 9GHz High Linearity I/Q Demodulator with Wideband IF Amplifier

Analog Devices LTC5594 Product Info

10 February 2026 6

Features

  • True Zero IF Demodulation
  • Wideband Input Matched from 500MHz to 9GHz
  • Wide IF Bandwidth: DC to 1GHz (1dB Flatness)
  • 37dB Image Rejection, Adjustable to 60dB
  • High Total OIP3: 37dBm at 5.8GHz
  • 58dBm OIP2 at 5.8GHz, Adjustable to 65dBm
  • Max Power Conversion Gain: 9.2dB at 5.8GHz
  • Single-Ended RF Input with On-Chip Transformer
  • User Adjustable DC Offset Null
  • Serial Interface
  • IF Amplifier Gain Adjustable in Eight Steps
  • IF Amplifier Shutdown/Enable
  • Low Power Shutdown Mode
  • Operating Temperature Range (TC): −40°C to 105°C
  • 32-Lead 5mm × 5mm QFN Package

Part details & applications

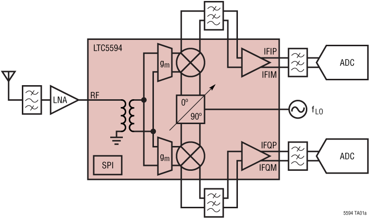
The LTC5594 is a direct conversion quadrature demodulator optimized for high linearity zero-IF and low-IF receiver applications in the 300MHz to 9GHz frequency range. The very wide IF bandwidth of more than 1GHz makes the LTC5594 particularly suited for demodulation of very wideband signals, especially in 5G front-haul/back-haul receiver applications. The outstanding dynamic range of the LTC5594 makes the device suitable for demanding infrastructure direct conversion applications. Proprietary technology inside the LTC5594 provides the capability to optimize OIP2 to 65dBm, and achieve image rejection better than 60dB. The DC offset control function allows nulling of the DC offset at the A/D converter input, thereby optimizing the dynamic range of true zero-IF receivers that use DC-coupled IF signal paths. The wideband RF and LO input ports make it possible to cover all the major wireless infrastructure frequency bands using a single device. The IF outputs of the LTC5594 are designed to interface directly with most common A/D converter input interfaces. The high OIP3 and high conversion gain of the device eliminate the need for additional amplifiers in the IF signal path.

APPLICATIONS

  • 5G Base Station Front-haul/Back-haul Receivers
  • Military and Satellite Receivers
  • Point-to-Point Broadband Radios
  • High Linearity Direct Conversion I/Q SDR
  • Test Instrumentation
  • DPD Receivers

Subscribe to Welllinkchips !
Your Name
* Email
Submit a request