0
LTC4300A-3
  • LTC4300A-3
  • LTC4300A-3
  • LTC4300A-3
  • LTC4300A-3

LTC4300A-3

PRODUCTION

Level Shifting Hot Swappable 2-Wire Bus Buffer with Enable

Analog Devices LTC4300A-3 Product Info

10 February 2026 8

Features

  • Bidirectional Buffer* for SDA and SCL Lines Increases Fanout
  • Prevents SDA and SCL Corruption During Live Board Insertion and Removal From Backplane
  • Logic Threshold ENABLE Input
  • Isolates Input SDA and SCL Lines from Output
  • Compatible with I2C, I2C Fast Mode and SMBus Standards (Up to 400kHz Operation)
  • 1V Precharge on all SDA and SCL Lines
  • Supports Clock Stretching, Arbitration and Synchronization
  • 5V to 3.3V Level Translation
  • High Impedance SDA, SCL Pins for VCC = 0V, VCC2 = 0V
  • Small 8-Lead DFN and MSOP Packages

Part details & applications

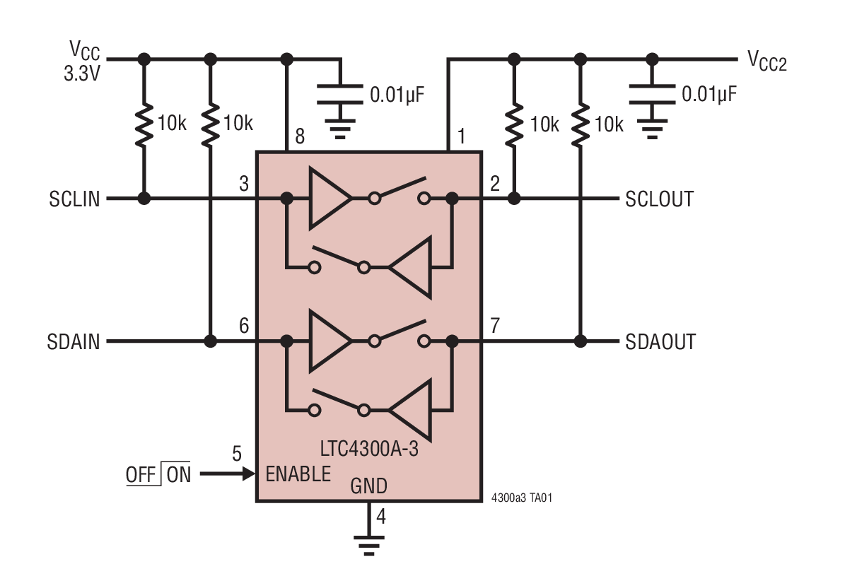
The LTC4300A-3 hot swappable 2-wire bus buffer allows I/O card insertion into a live backplane without corruption of the data and clock busses. When the connection is made, the LTC4300A-3 provides bidirectional buffering, keeping the backplane and card capacitances isolated. Rise-time accelerator circuitry allows the use of weaker DC pull-up currents while still meeting rise-time requirements. During insertion, the SDA and SCL lines are precharged to 1V to minimize bus disturbances.

The LTC4300A-3 provides level translation between 3.3V and 5V supplies. The backplane and card can both be powered with supplies ranging from 2.7V to 5.5V. The LTC4300A-3 also incorporates a CMOS threshold ENABLE pin which forces the part into a low current mode and isolates the card from the backplane. When driven to VCC, the ENABLE pin sets normal operation.

The LTC4300A-3 is available in the MSOP and 3mm × 3mm DFN packages.

*Patent pending.

Applications

  • Hot Board Insertion
  • Servers
  • Capacitance Buffer/Bus Extender
  • Desktop Computer

Subscribe to Welllinkchips !
Your Name
* Email
Submit a request